EasyManua.ls Logo

Fantech SHR 2005R - Shr3205 Rd

Fantech SHR 2005R
44 pages
Print Icon
To Next Page IconTo Next Page
To Next Page IconTo Next Page
To Previous Page IconTo Previous Page
To Previous Page IconTo Previous Page
Loading...
40
fantech
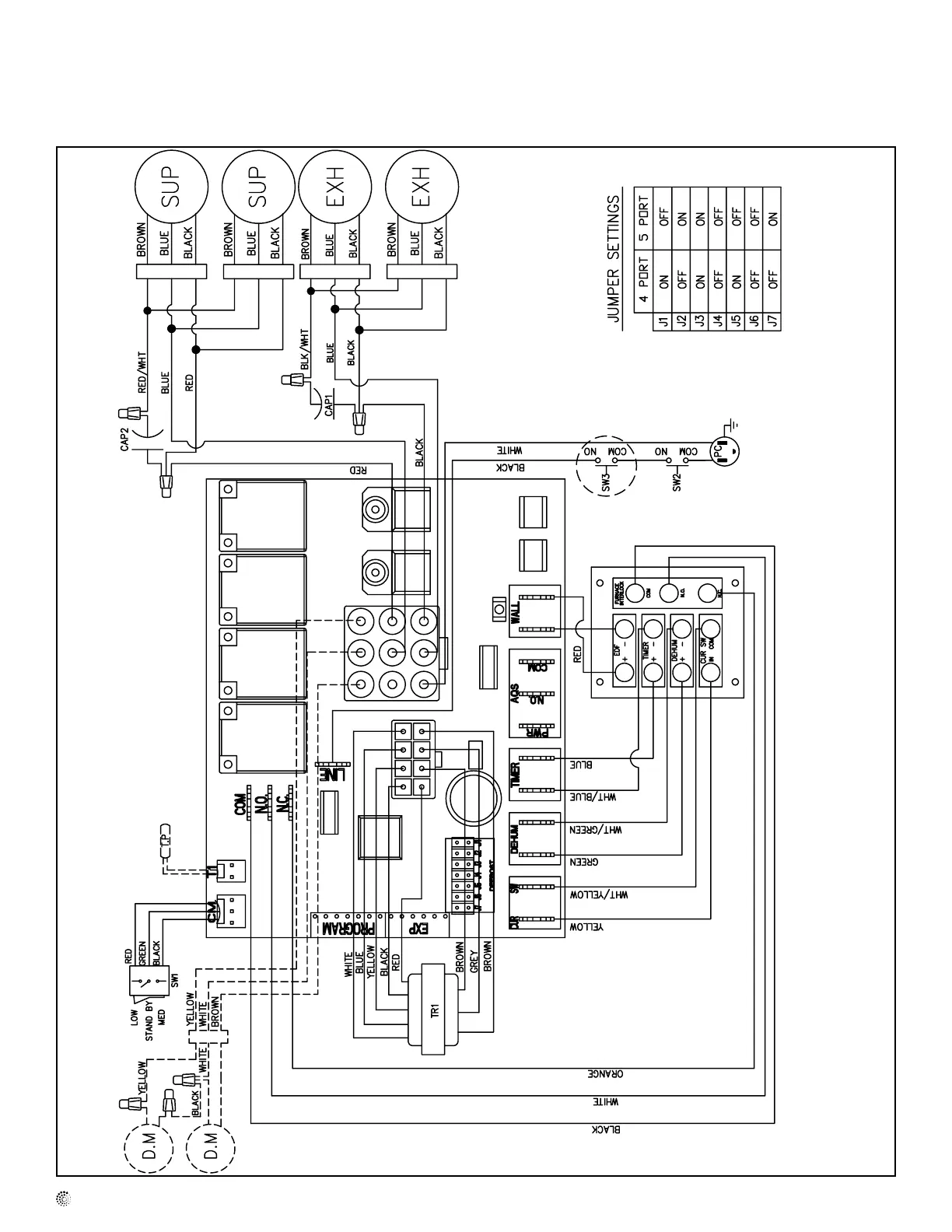
Schémas électrique



Table of Contents

Other manuals for Fantech SHR 2005R

Related product manuals