EasyManua.ls Logo

Faraone ELEVAH 40 MOVE - ATTACHMENT 4 - Electrical Layout - ELEVAH 40 B

Faraone ELEVAH 40 MOVE
78 pages
Print Icon
To Next Page IconTo Next Page
To Next Page IconTo Next Page
To Previous Page IconTo Previous Page
To Previous Page IconTo Previous Page
Loading...
USE AND MAINTENANCE MANUAL SECTION 9
ELEVAH 40 MOVE / 40 B AERIAL PLATFORMRev. 12_2021
Page 9-5
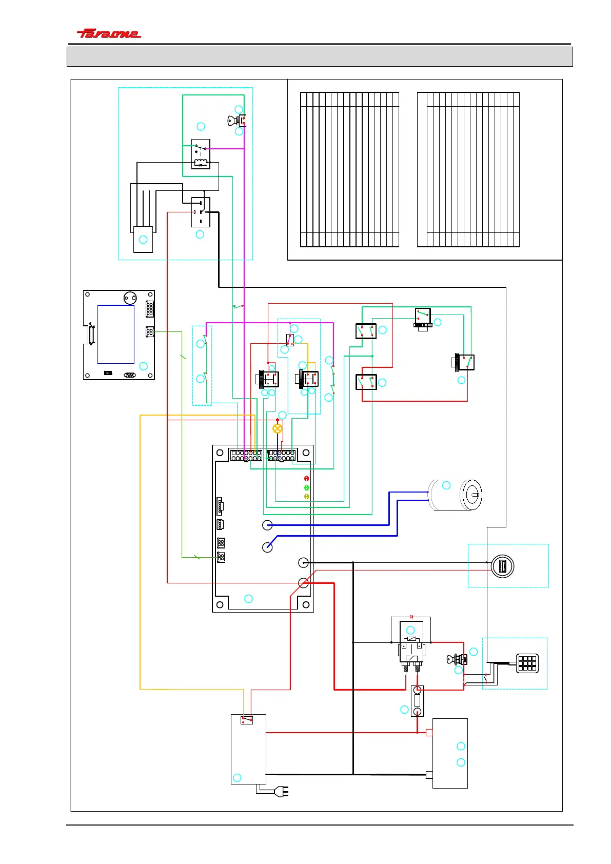
ATTACHMENT 4 – Electrical layout - ELEVAH 40 B
+24V BATTERIA
- +
B-
M1
M2
J11
J1
J4
J5
OPT ON
DIAG
BIDI NXS
CARICA
BATTERIE
MOTORE
VERTICALE
USB
CHARGER
1
2
3
4
5
6
7
8
9
14
13
12
11
10
1
2
3
4
5
6
7
8
9
12
11
10
IN1
IN2
IN7
pin12_J4
pin12_J5
pin6_J5
LAMP
pin9_J5
pin7_J5
pin8_J5
pin5_J4
J2J3
4
1
3
2
4
1
3
2
4
IN8
pin6_J4
FUSE
-BATT
+BATT
B+
B-
OPT1
pin2_J4
1 1+
2
4
13
3
11
ELEVAH40B
LEGENDA OPTIONAL
1 Batterie 12V - 50A
Descrizione Q.tà
2
Carica batterie Soneil 24V - 6A2 1
3
Scheda Bidi NXS4 1
Fungo di emergenza a chiave PIZZATO - 4PEBZ45315 1
Contatto NC PIZZATO - E2CPO1G2V1
6 1
Contatto NO PIZZATO - E2CP10G2V1
7 2
8
1
21
1Lampeggiatore Lampa - 98485
1
10 Micro PIZZATO - MKV11D17
111
OPT1 USB charger 3A
Descrizione Q.tà
1
1
Comando Salita/discesa da baseOPT2 1
3
1
Contatto NC PIZZATO - E2CPO1G2V1
6
1
Contatto NO PIZZATO - E2CP10G2V17
1
8
9
OPT1 Presa accendisigari 10A
Blocco altezza in salitaOPT4 1
Micro PIZZATO - NFB112KA-DN2
1
14
Selettore SCHNEIDER ELETRIC - ZB4BG2
1
17
1
18
Antischiacciamento discesa
OPT5
1
Micro PIZZATO - MKV11D17
2
10
OPT7
1
1
Centralina colonna 24V - 800W
1
Schermo SED
COMUNEINGRESSI
SALITADABASE
CANCELLINI
SALITA
DISCESA
COMANDOSALITA-DISCESA
DEVBASE
Micro-sx
Micro-dx
DISCESADABASE
pin3_J5
pin11_J4
J3
J2
J5
J1
4
KEYBOARD
CAVOCANBUS(dedicato4poli)
1
2
3 4
PULSANTEBASKET
PULSANTEBASE
OPT2
pin14_J4
IN10
INADC2
Micro-fc-ant1
OPT5
10
10
7
7
Selettore PIZZATO - 4SE13GCE11AB
8
10
10
12
Fusibile di potenza 50A
Teleruttore Albright SU60-2010 (+ Diodo) 1
7
12
13
8
21
Selettore PIZZATO - 4SE13GCE11AB
Selettore PIZZATO - 4SE12AVA11AB
7
6
9
Tastiera a codice sblocco - TSA/STL1000-E
19
2
Pulsante PIZZATO - MKV11D49
19
2Micro PIZZATO - FM502
20
20
20
PULSANTE
FRENOAUTOMATICO
Micro-fc-ant2
Micro-fc-discesa1
Micro-fc-discesa2
7
B+
OPT7
1 2 3
4
5 6
7 8 9
C 0
ON
OFF
5
6
ROSSO
BIANCO
BIANCO
NERO
220vac
IN9
IN4
PULSANTEUOMO
PRESENTEFRENO
AUTOMATICO
19
IN10
OPT4
30
87A
85
87
86
30
86
87A
85 87
3 - M - BLU ( NEGATIVO )
4 - Q1/C - NERO
2 - Q2 - BIANCO
5 - GRIGIO
1 - MARRONE ( POSITIVO )
14
fc-altezza
Micro
23
Relèdiattivazione
Regolatoreditensione
22
B-
contatto
NC*
*Nonmontare
sepresenteOPT4
selettoreon/offaltezza
17
18
Contatto NO - SCHNEIDER ELETRIC - ZBE101

Table of Contents

Related product manuals