EasyManua.ls Logo

FARFISA INTERCOMS PT520W - Si 230;5: 5 Intercoms with Door Station, Common Call and Electronic Bell

Default Icon
50 pages
Print Icon
To Next Page IconTo Next Page
To Next Page IconTo Next Page
To Previous Page IconTo Previous Page
To Previous Page IconTo Previous Page
Loading...
36
8 GbD-02
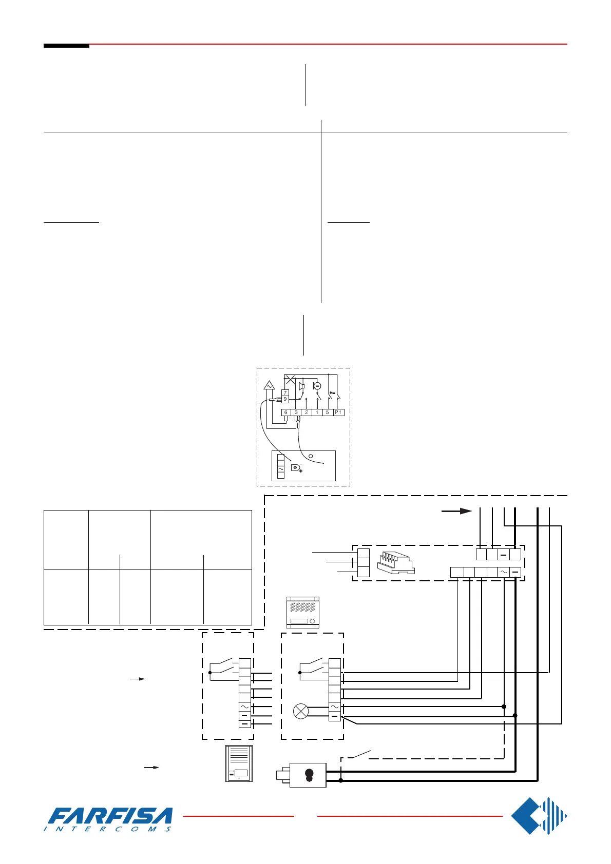
5 INTERCOMMUNICATING INTERCOMS CONNECTED
TO A DOOR STATION WITH COMMON CALL AND
ELECTRONIC BELL FOR INTERNAL CALLS.
Si 230/5
Beschreibung
Haustelefon mit 2 Tasten
Zusatztaste
Klangrufmodul
Netzteil
Elektrischer Türöffner (12Vac-1A)
Türöffnungstaste (Zusatztaste)
Türstation
Série Mody
Unterputzgehäuse
Module predisposé pour le Türfreisprecheinrichtung
Wetterschutzrahmen
Aufputzgehäuse
Türfreisprecheinrichtung
ElNFAMILIENHAUS SPRECHANLAGE MIT 5 HAUSTE-
LEFONE, EINER TÜRSTATION UND INTERNEN GE-
GENSPRECHVERKEHR MIT ELEKTRONISCHEM
KLANGRUF FÜR INTERNRUFE.
Ref.diagram Q.ty Article Description
Schaltplan Bez.Menge Art.Nr.
CT ... PT520 Intercom with 2 push-buttons
SP ... PT501 Individual push-button unit
RS ... SR40 Electronic bell module
AL 1 PRS226 Power supply/switcher
SE 1 ** Electric door lock (12VAC-1A)
PA 1 ** Door release push-button (optional)
Door station
Series Mody
MD ... MD71 Module frames with back box
1 MD11 Module for electric door speaker
1 MD81 Hood cover
1 MD91*** Rain shelter with module frames
PE 1 MD30 Electric door speaker
SE
P2
P1
C
1
2
RP100
G2 7
AD
C+
+
0
127V
230V
PRS226
*
PA
... Refers to number of users.
** Articles not supplied by ACI Farfisa.
*** Rain shelters are used instead of back boxes and hood covers.
For other kinds of panels see on page 14 and 15.
Working instructions: see page 19.
Note
In each intercom remove the jumper W1 that links termi-
nals 3 and 7.
For a different number of intercoms see the application
diagrams on page 42.
... abhängig von der Anzahl der Teilnehmer.
** diese Teile werden vom Hersteller nicht geliefert.
*** Die Aufputzgehäuse werden anstelle der Unterputzgehäuse einge-
setzt und haben auch ein Wasserschutzdach.
Funktionsbeschrelbung: Siehe Seite 20.
Bitte beachten
In jedem Haustelefon muß man die Drahtbrücke (W1)
zwischen den Anschlußklemmen 3 und 7 unterbrechen.
Für eine unterschiedliche Anzahl von Haustelefone bitte
Anwendungsschaltpläne auf der Seite 42 beachten.
For one family systems the amplified door
stations MD100, RP100, UP100 or UP11
can be installed. In this case superimpose
the actual diagram over that on page 37
laying it out at the riser
*
.
In the amplified door station RP100 it is
necessary to cut the jumper W1.
Für Einfamilienhausanlagen kann auch
die Türstation mit eingebauter Türfrei-
sprecheinrichtung MD100, RP100, UP100
oder UP11 eingesetzt werden. In diesem
Fall setzen Sie diesen Schaltplan auf den
nebenan bündig mit dem
*
gekenn-
zeichneten Trennpunkt.
In den Türstation RP100 muß die Draht-
brücke W1 getrennt werden.
C
1
2
MD100
MD71
CABLE CROSS SECTION
DURCHMESSER VERBINDUNGENSKABEL
50
100
200
300
mm²
0.25
0.35
0.5
0.75
mm²
0.5
1
2
2.5
door lock and ground
(cables in bold face type)
Türöffner und Masse
(Fettgedruckte Leitungen)
distance
in metres
Entfernung
in Meter
audio line and
calls
Sprechweg und
Rufleitungen
mm
0,5
0,7
0,8
1
mm
0,8
1,2
1,6
1,8
W1
1
PT 520
SR 40
X2
7
9
X1

Related product manuals