EasyManua.ls Logo

FARFISA INTERCOMS PT520W - Si 230;5: Intercommunicating System Diagram

Default Icon
50 pages
Print Icon
To Next Page IconTo Next Page
To Next Page IconTo Next Page
To Previous Page IconTo Previous Page
To Previous Page IconTo Previous Page
Loading...
37
8 GbD-02
G2 7
AD
C+
+
P3
P4
P2
P1
7
5
6
3
2
1
P2
P4
P3
P1
7
5
6
3
2
1
P1
P4
P3
P2
7
5
6
3
2
1
P4
P3
P2
P1
7
5
6
3
2
1
P4
P3
P2
P1
7
5
6
3
2
1
CT4
+SP
+RS
CT5
+SP
+RS
CT3
+SP
+RS
CT2
+SP
+RS
CT1
+SP
+RS
4
3
2
1
230V
0
127V
AL
1
2
3
4
PE
SE
*
MD
PA
Mody
ErreP/R
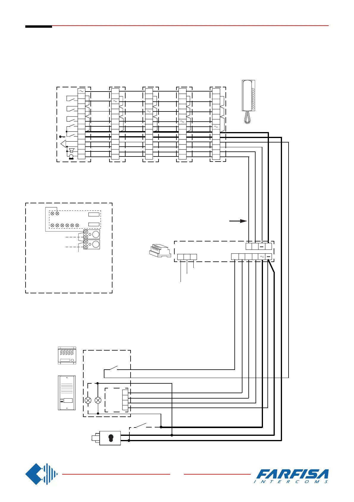
Intercommunicating
Gegensprechanlagen
Si 230/5
5 INTERCOMMUNICATING INTERCOMS CONNECTED TO A DOOR STATION
WITH COMMON CALL AND ELECTRONIC BELL FOR INTERNAL CALLS.
ElNFAMILIENHAUS SPRECHANLAGE MIT 5 HAUSTELEFONE, EINER TÜRSTATION UND
INTERNEN GEGENSPRECHVERKEHR MIT ELEKTRONISCHEM KLANGRUF FÜR INTERN-
RUFE.
In all intercoms connect one of the two
terminals of the single button unit to
terminal 7.
In allen Haustelefonen muß eine der
Anschlußklemmen der Zusatztasten mit
der Klemme 7 verbunden werden.
9 7
2315P16
P2
P3

Related product manuals