EasyManua.ls Logo

Fastech Ezi-Servo ALL - EzM-56 Series Specifications; EzM-56 Series Dimensions

Default Icon
104 pages
Print Icon
To Next Page IconTo Next Page
To Next Page IconTo Next Page
To Previous Page IconTo Previous Page
To Previous Page IconTo Previous Page
Loading...
www.fastech.co.kr
17
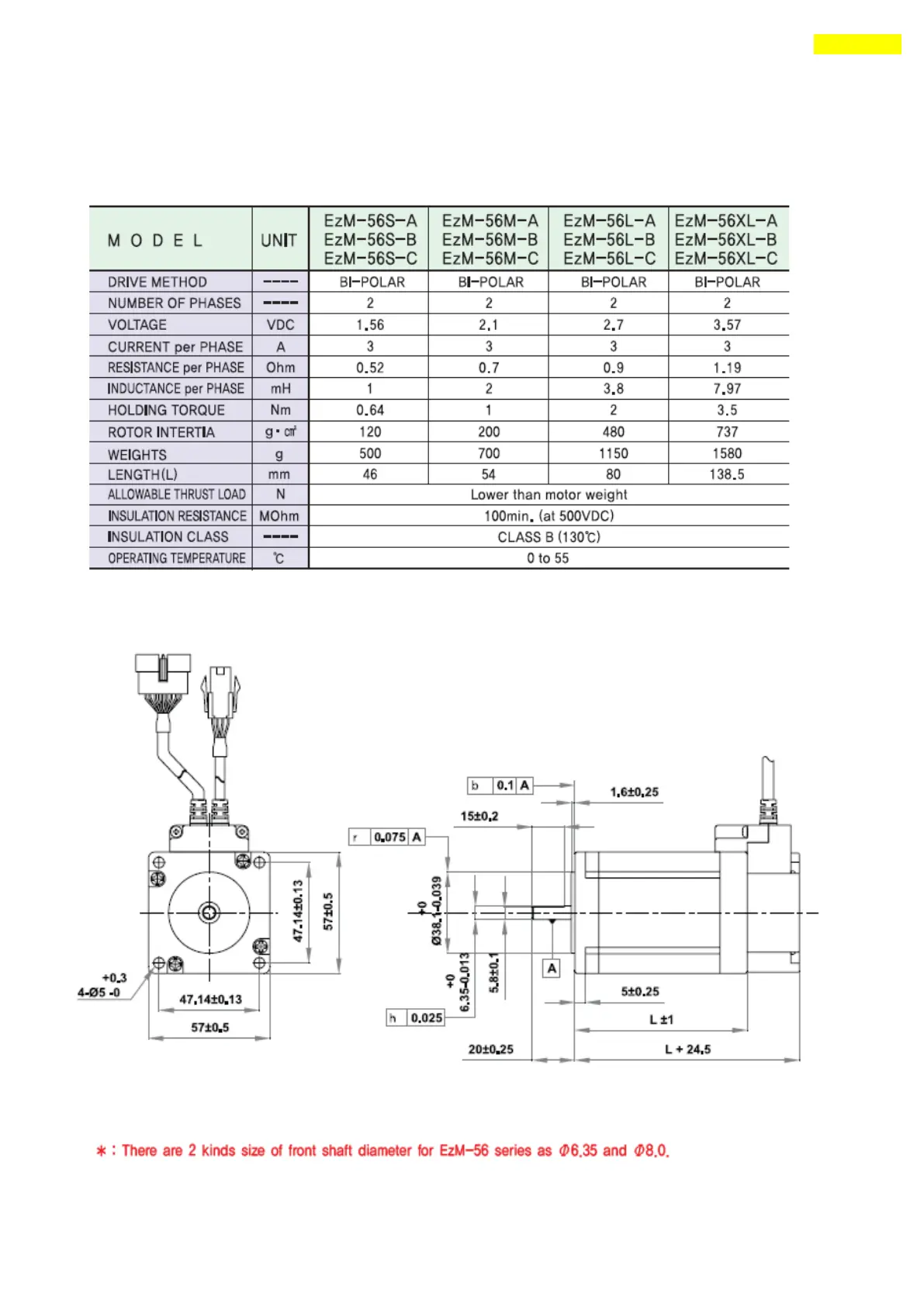
3. Specifications of the Motor
3.5 EzM-56 Series
Ezi-SERVO-PR drive only.
1) Specifications
2) Dimensions (Ezi-SERVO-PR and Ezi-SERVO-PR-MI)

Table of Contents

Related product manuals