EasyManua.ls Logo

Federal RSSM360 - Page 63

Federal RSSM360
76 pages
Print Icon
To Next Page IconTo Next Page
To Next Page IconTo Next Page
To Previous Page IconTo Previous Page
To Previous Page IconTo Previous Page
Loading...
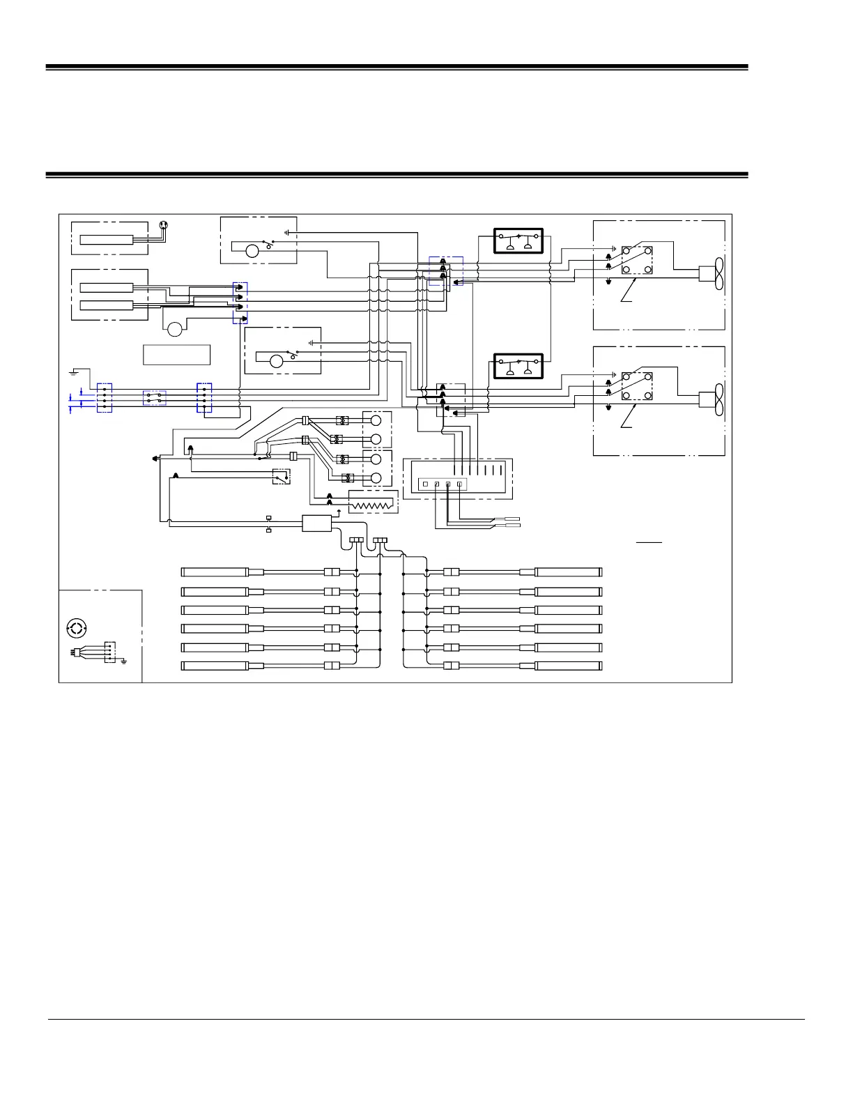
WIRING DIAGRAM
RSSM878
SELF CONTAINED W/LED STRIP LIGHTS
W
BL (OR) W
G
ANTI-SWEAT HEATER
W
BLK
BLK
W
BLK
BLK
G
FLOAT SWITCH
R
R
18GA.
R
BLK
R
W
SPLICE
SPLICE
BLK
FAN
FAN
BLK
M
PLUG
PLUG
M
PLUG
PLUG
W
G
BL
DUAL PRESSURE CONTROL
PART OF COMPRESSOR "A" ASSEMBLY
Y
12GA.
14GA.
14GA.
14GA.
BLK
W
W
M
BLK
BR (OR) BLK
CONDENSATE "A" PUMP,
FAN MOTOR LEAD REMOVED FROM TERMINAL 5
AND WIRED TO RUN 100%
(FAN MOTOR TO RUN 100%
DOES NOT CYCLE WITH COMPRESSOR)
14GA.
R
SWITCH
LIGHT
12GA.
12GA.
12GA.
12GA.
BLK
14GA.
14GA.
14GA.
14GA.
14GA.
18GA.
14GA.
14GA.
120/240 VOL TS
60 HERTZ
1 PHASE
USE COPPER CONDUCTORS
UNIT MUST BE GROUNDED
SUPPLY CONNECTIONS
ONLY FOR POWER
FIELD WIRING BOX
MUST USE NEMA L14-30R
GROUND
BLK
BLK
POWER CORD WITH
NEMA L14-30 PLUG
G
OPTIONAL P OWER CORD
W
R
DUAL PRESSURE CONTROL
PART OF COMPRESSOR "B" ASSEMBLY
Y
FAN MOTOR LEAD REMOVED FROM TERMINAL 5
AND WIRED TO RUN 100%
(FAN MOTOR TO RUN 100%
DOES NOT CYCLE WITH COMPRESSOR)
G
R
BLK
G
R
BLK
BLK
14GA.
14GA.
14GA.
18GA.
FAN
FAN
M
PLUG
PLUG
M
PLUG
BLK
W
R
BL (OR) W
G
FLOAT SWITCH
M
G
BR (OR) BLK
CONDENSATE "B" PUMP,
CONDENSER
FAN
"A" BOX
18GA.
BLK
14GA.
14GA.
14GA.
G
R
BLK
14GA.
14GA.
14GA.
G
R
BLK
R
Y
Y
Y
Y
"B" BOX
BLK
14GA.
COMPRESSOR "B"
COMPRESSOR
RELAY
COMPRESSOR "A"
COMPRESSOR
RELAY
CONDENSER
FAN
4
5
1 2
4 5
1 2
BLK
14GA.
14GA.
14GA.
14GA.
RECEPTACLE
SELF CONTAINED RSSM878
91-21065-7 01/08/19 BJW
240V.
120V.
120/240 VOL TS
60 HERTZ
1 PHASE
POWER INPOWER IN
W
R
BLK
G
OPTIONAL POWER SWITCH
USE COPPER CONDUCTORS
UNIT MUST BE GROUNDED
SUPPLY CONNECTIONS
ONLY FOR POWER
FIELD WIRING BOX
OPTIONAL 240V 1200W
CONDENSATE EVAPORATOR
BR
Y/G
BL
Y/G
BL
BR
PTC HEATER
G
BLK
R
M
EXHAUST FAN
NOTE: EXHAUST FAN MOTOR
USED ONLY ON CASES
WITH FRONT AIR DISCHARGE
G
R
BLK
W
OPTIONAL 115V 1500W FI ELD INSTALLED
CONDENSATE EVAPORATOR,
W = WHITE
R = RED
BR = BROWN
G = GREEN
BL = BLUE
Y = YELLOW
COLOR CODE
BLK = BLACK
Y/G = YELLOW/GREEN STRIPE
PTC HEATER
14GA.
TEMP. PROBE PBI
DEFROST PROBE PB2
14GA.
18GA.
18GA.
WW
R
BLK
Y
BLK
CAREL
CONTROLLER
11
10 9
8
7
6
5
4
OPTIONAL CONTROL
BLK
OR
RED
BLK
OR
RED
LIGHTING CIRCU IT
BL K
R
B
-
+
B -
R +
R B
-
+
-
+
+ -
-
+
-
+
PLUG & SOCKET
PLUG
-
+
SHELF LIGHT LED
SHELF LIGHT LED
SHELF LIGHT LED
SHELF LIGHT LED
SHELF LIGHT LED
TOP LIGHT LED
STANDARD TOP LIGHT &
OPTIONAL SHELF LIGHTS
QTY ( 2 TO 5 ) PER CASE
R
B
RB
-
+
-
+
+ -
-
+
-
+
PLUG & SOCKET
PLUG
-
+
SHELF LIGHT LED
SHELF LIGHT LED
SHELF LIGHT LED
SHELF LIGHT LED
SHELF LIGHT LED
-
+
TOP LIGHT LED
OPTIONAL SHELF LIGHTS
8' CASE QTY ( 4 TO 5 )
PER CASE SIDE
POWER
SUPPLY
24V. OUTPUT
W
G
Refrigerated Self-Serve Merchandiser (High Profile) Page 50

Table of Contents