EasyManua.ls Logo

Federal RSSM360 - Page 67

Federal RSSM360
76 pages
Print Icon
To Next Page IconTo Next Page
To Next Page IconTo Next Page
To Previous Page IconTo Previous Page
To Previous Page IconTo Previous Page
Loading...
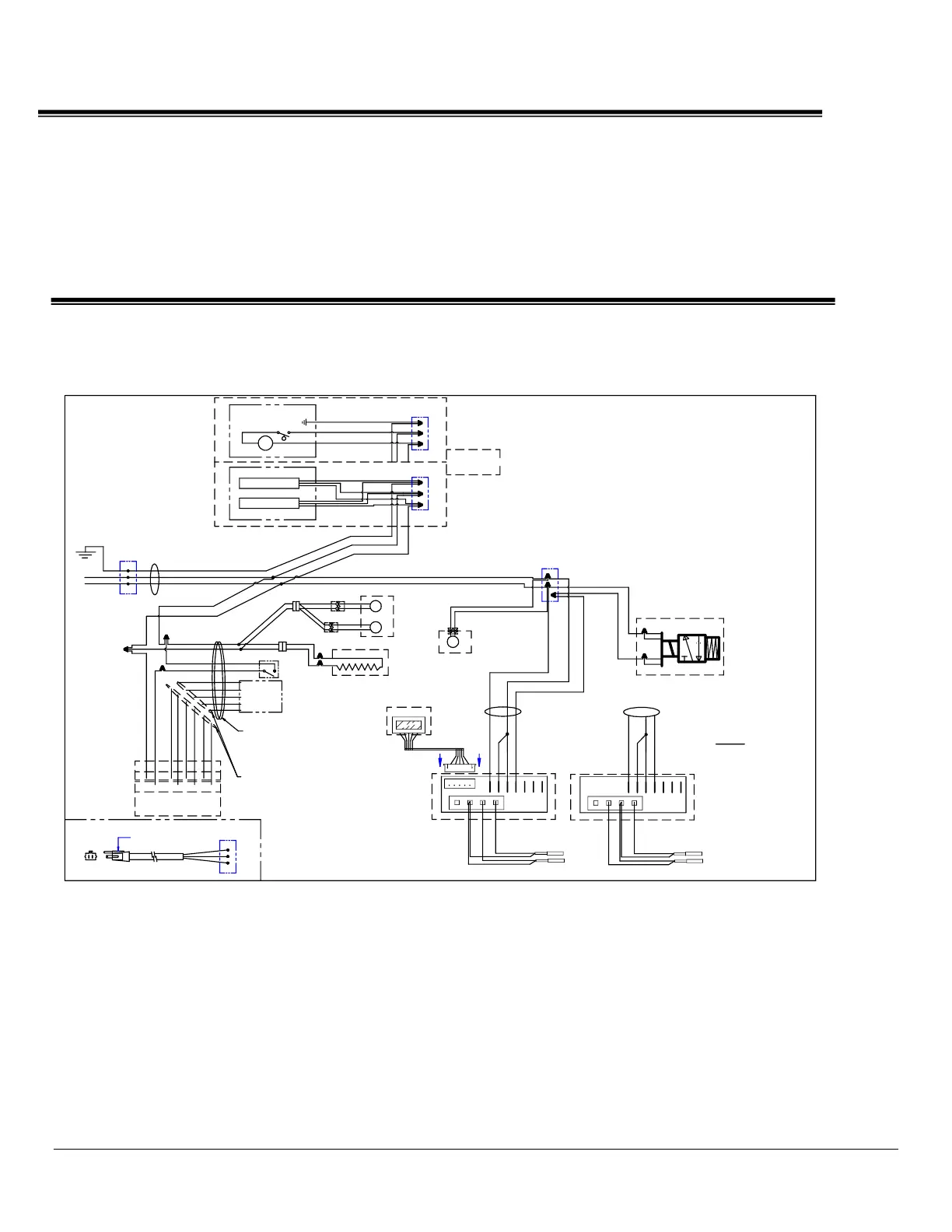
WIRING DIAGRAM REMOTE
RSSM360R, RSSD360R, RSSM460R, RSSD460R, RSSM560R,
RSSD560R, RSSM660R, RSSD660R, RSSM378R, RSSD378R,
RSSM478R, RSSD478R, RSSM578R, RSSD578R, RSSM678R, &
RSSD678R
W
BL (OR) W
G
1
2
3
4
567
89
10
11
ANTI-SWEAT HEATER
W
BLK
RANCO
CONTROLLER
BLK
BLK
R
W
W W
BLK
BLK
POWER IN
BR
Y/G
BL
FLOAT SWITCH
Y/G
BL
R
2x4 BOX
PTC HEATER
18GA.
W
W
SPLICE
SPLICE
SPLICE
BLK
FAN
FAN
BLK
SPLICE
M
PLUG
M
PLUG
PLUG
W
BLK
BASE ASSEMBLY FAN
DEFROST PROBE PB2
DISPLAY
RIBBON CABLE
TEMP. PROBE PBI
14GA.
14GA.
14GA.
BLK
W
W
CONDENSATE EVAPORATOR
M
BR
PTC HEATER
BLK
G
14GA.
12GA.
14GA.
G
BR (OR) BLK
CONDENSATE PUMP
G
CONDENSATE PUMP
OR
CONDENSATE EVAPORATOR
AS PER ORDER
W
BLK
BLK
GROMMET FOR
MAIN WIRE
HARNESS
14GA.
R
BL
Y
Y
G
BL
SWITCH
LIGHT
LIGHTING
COMBINATIONS
W IRE LEADS FROM BALLAST
TOP OR BOTTOM WIRE COMBINATION
W BLK
LIGHTING CIRCUIT
SCHEMATIC DETAILS
ON DRAWING 91-19136
AS PER ORDER
Y
BLR BL
BLW BLK YR BLR
W
14GA.
FAN
M
W
SPLICE
W
14GA.
Y
18GA.
SOLENOID VALVE
Y
18GA.
18GA.
BLK
18GA.
18GA.
W
18GA.
PLUG
BLK
BLK
CORDSET
BL
BLK
Y
BL
G
12GA.
BLK
W
12GA.
12GA.
W
BLK
BLK
W
REMOTE RSSM & RSSD 3,4,5,& 6
RANCO CONTROL CIRCUIT
91-19136-16 6-1-12 CHM
REVISED 10/14/15 BJW A
03/05/18 BJW B
OPTIONAL CONTROL
NEMA# 5-15P
POWER IN
OPTIONAL FIELD INSTALLED POWER CORD
G
BLK
W
USE COPPER CONDUCTORS
UNIT MUST BE GROUNDED
SUPPLY CONNECTIONS
ONLY FOR POWER
FIELD WIRING BOX
W
18GA.
W
18GA.
18GA.
BLK
18GA.
Y
TEMP. PROBE PBI
DEFROST PROBE PB2
SPLICE
W
BLK
CAREL
CONTROLLER
1110
9 8
76 5
4
BLK
OR
RED
BLK
OR
RED
W = WHITE
R = RED
BR = BROWN
G = GREEN
BL = BLUE
Y = YELLOW
COLOR CODE
BLK = BLACK
Y/G = YELLOW/GREEN STRIPE
Refrigerated Self-Serve Merchandiser (High Profile) Page 54

Table of Contents