EasyManua.ls Logo

Federal RSSM360 - Page 69

Federal RSSM360
76 pages
Print Icon
To Next Page IconTo Next Page
To Next Page IconTo Next Page
To Previous Page IconTo Previous Page
To Previous Page IconTo Previous Page
Loading...
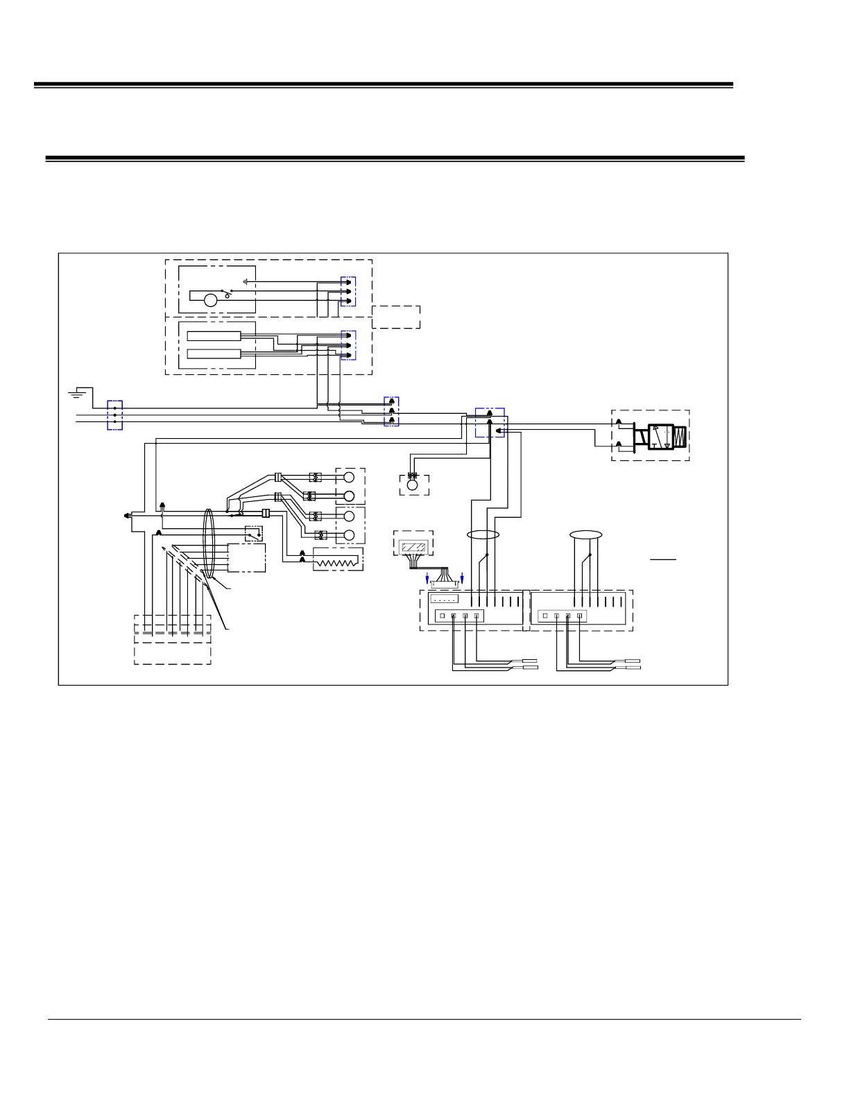
WIRING DIAGRAM REMOTE
RSSM878R, RSSD878R
W
4
5
67
891011
RANCO
CONTROLLER
BLK
BLK
R
W W
BLK
BLK
R
BOX A
18GA.
W
W
SPLICE
SPLICE
FAN
FAN
BLK
M
M
W
BASE ASSEMBLY FAN
DEFROST PROBE PB2
DISPLAY
RIBBON CABLE
TEMP. PROBE PBI
14GA.
14GA.
W
BLK
G
12GA.
W
BLK
BLK
GROMMET FOR
MAIN WIRE
HARNESS
14GA.
R
BL
Y
Y
G
BL
SWITCH
LIGHT
LIGHTING
COMBINATIONS
WIRE LEADS FROM BALLAST
TOP OR BOTTOM WIRE COMBINATION
W BLK
LIGHTING CIRCUIT
SCHEMATIC DETAILS
ON DRAW ING 91-19136
AS PER ORDER
Y
BLR BL
BLW BLK YR BLR
W
14GA.
FAN
M
W
Y
18GA.
SOLENOID VALVE
Y
18GA.
18GA.
BLK
18GA.
18GA.
W
18GA.
PLUG
BLK
BLK
CORDSET
BL
BLK
Y
BL
12GA.
12GA.
REMOTE RSSM & RSSD 878
RANCO CONTROL CIRCUIT
91-19136-18 8-23-12 CHM
REVISED 10/14/15 BJW A
03/05/18 BJW B
ANTI-SWEAT HEATER
W
BLK
W
BLK
FAN
FAN
M
PLUG
PLUG
M
PLUG
PLUG
SWITCH
LIGHT
PLUG
SPLICE
SPLICE
BLK
W
W
BLK
BOX B
BLK
W
12GA.
12GA.
W
W
BLK
W
BL (OR) W
G
BR
Y/G
BL
FLOAT SWITCH
Y/G
BL
PTC HEATER
CONDENSATE EVAPORATOR
M
BR
PTC HEATER
14GA.14GA.
G
BR (OR) BLK
CONDENSATE PUMP
G
CONDENSATE PUMP
OR
CONDENSATE EVAPORATOR
AS PER ORDER
G
12GA.
BLK
W
W
BLK
BLK
W
POWER IN
G
BLK
W
FIELD WIRING BOX
UNIT MUST BE GROUNDED
USE COPPER CONDUCTORS
ONLY FOR POWER
SUPPLY CONNECTIONS
OPTIONAL CONTROL
W
18GA.
W
18GA.
18GA.
BLK
18GA.
Y
TEMP. PROBE PBI
DEFROST PROBE PB2
SPLICE
W
BLK
CAREL
CONTROLLER
11
10
9 8
76 54
BLK
OR
RED
BLK
OR
RED
W = WHITE
R = RED
BR = BROWN
G = GREEN
BL = BLUE
Y = YELLOW
COLOR CODE
BLK = BLACK
Y/G = YELLOW/GREEN STRIPE
Refrigerated Self-Serve Merchandiser (High Profile) Page 56

Table of Contents