EasyManua.ls Logo

Federal RSSM360 - Page 73

Federal RSSM360
76 pages
Print Icon
To Next Page IconTo Next Page
To Next Page IconTo Next Page
To Previous Page IconTo Previous Page
To Previous Page IconTo Previous Page
Loading...
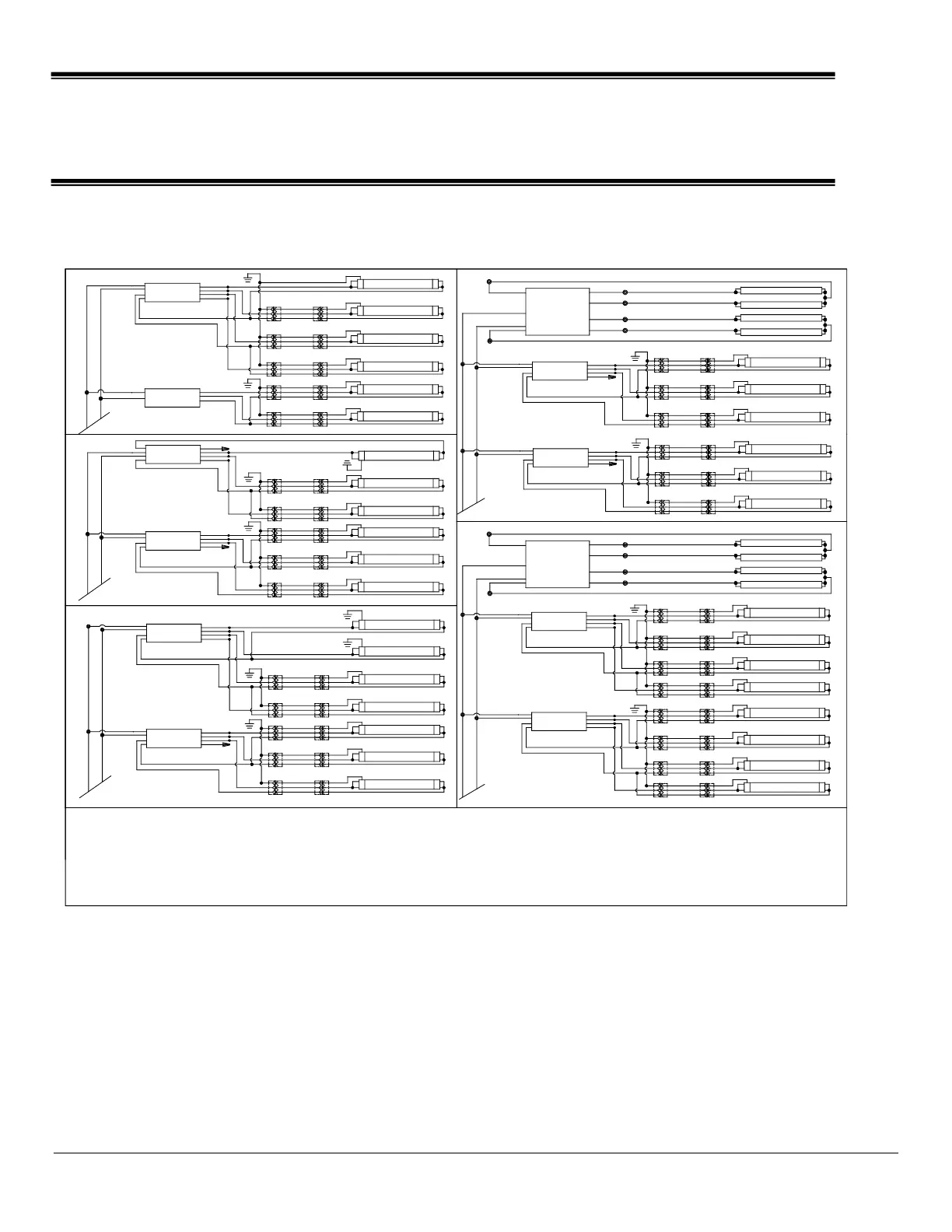
WIRING DIAGRAM OPTIONAL LIGHTING CIRCUIT
TOP LIGHTS & SHELF LIGHTS
PLUG
RECEPTICAL
BALLAST
W
BLK
PLUG
RECEPTICAL
B/R
GG
Y
B/R
Y
B/R
GG
Y
B/R
Y
B/R
GG
Y
B/R
Y
Y
Y
G
SHELF LIGHT
SHELF LIGHT
SHELF LIGHT
R
R
B
B
R
R
B
SHELF LIGHT
SHELF LIGHT
TOP LIGHT
R
R
B
B
Y
Y
B/R
Y
G G
B/R
Y
B/R
Y
G G
B/R
R
BLK
W
BALLAST
B
R
1TOP LIGHT &
5 SHELF LIGHTS
6' UNITS
G
Y
G
FIFTH SHELF WITH LIGHT (OPTIONAL)
TOP LIGHT
SHELF LIGHT
SHELF LIGHT
SHELF LIGHT
1 TOP LIGHT &
5 SHELF LIGHTS
3' , 4' , 5' UNITS
R
B
BALLAST
W
BLK
R
B
G
Y
B/R
GG
Y
B/R
Y
B/R
GG
Y
B/R
Y
B/R
GG
B/R
Y
Y
B
B
R
R
G
Y
Y
Y
B/R
Y
G G
B/R
Y
B/R
Y
G G
B/R
RECEPTICAL
PLUG
B
G
BLK
W
BALLAST
B
RECEPTICAL
PLUG
SHELF LIGHT
SHELF LIGHT
R
RECEPTICAL
PLUG
RECEPTICAL
PLUG
B
R
R
B
B
R
R
SHELF LIGHT
SHELF LIGHT
SHELF LIGHT
G
Y
Y
Y
B/R
Y
G G
B/R
Y
B/R
Y
G G
B/R
Y
B/R
Y
G G
B/R
BLK
W
BALLAST
Y
Y
Y
Y
G
2 TOP LIGHT &
5 SHELF LIGHTS
3' , 4' , 5' UNITS
R
B
BALLAST
W
BLK
R
B
B/R
GG
Y
B/R
Y
B/R
GG
B/R
Y
Y
B
B
R
R
TOP LIGHT
TOP LIGHT
SHELF LIGHT
SHELF LIGHT
4 TOP LIGHT &
6 SHELF LIGHTS
6', 8' UNITS
Y
TOP LIGHT
TOP LIGHT
BALLAST
BLK
W
Y
TOP LIGHT
TOP LIGHT
BB
B
B
R
RR
R
BALLAST
W
BLK
B/R
GG
Y
B/R
Y
B/R
GG
Y
B/R
Y
B/R
GG
Y
B/R
Y
Y
Y
G
SHELF LIGHT
SHELF LIGHT
SHELF LIGHT
R
R
B
B
R
R
B
BALLAST
W
BLK
B/R
GG
Y
B/R
Y
B/R
GG
Y
B/R
Y
B/R
GG
Y
B/R
Y
Y
Y
G
SHELF LIGHT
SHELF LIGHT
SHELF LIGHT
R
R
B
B
R
R
B
Y
Y
RECEPTICAL
PLUG
RECEPTICAL
PLUG
R
B
BALLAST
W
BLK
R
B
B/R
GG
Y
B/R
Y
B/R
GG
Y
B/R
Y
B/R
GG
Y
B/R
Y
B/R
GG
B/R
Y
Y
B
B
R
R
G
SHELF LIGHT
SHELF LIGHT
SHELF LIGHT
SHELF LIGHT
Y
TOP LIGHT
TOP LIGHT
BALLAST
BLK
W
Y
TOP LIGHT
TOP LIGHT
BB
B
B
R
RR
R
R
B
BALLAST
W
BLK
R
B
B/R
GG
Y
B/R
Y
B/R
GG
Y
B/R
Y
B/R
GG
Y
B/R
Y
B/R
GG
Y
B/R
Y
Y
Y
B
B
R
R
G
SHELF LIGHT
SHELF LIGHT
SHELF LIGHT
SHELF LIGHT
4 TOP LIGHT &
8 SHELF LIGHTS
6', 8' UNITS
Y
Y
RECEPTICAL
PLUG
RECEPTICAL
PLUG
BJW
03/08/1091-19136-7
MODEL RSSM LIGHTING CIRCUIT TOP & SHELVES
Refrigerated Self-Serve Merchandiser (High Profile) Page 60

Table of Contents