EasyManua.ls Logo

Fein BOP 6 - Connection Diagram

Fein BOP 6
65 pages
Print Icon
To Previous Page IconTo Previous Page
To Previous Page IconTo Previous Page
Loading...
BOP 6 (A); BOP 10 (A); BOP 10-2 (A); BOP 13-2 (A)
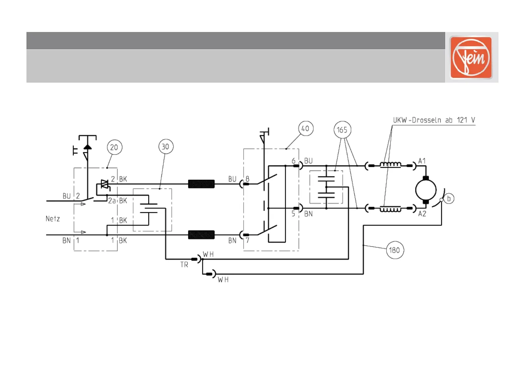
9. Connection diagram
C-SC_CSSM
Version 1.0
2017-10-12
All rights reserved by FEIN, especially in case of property rights applications.
FEIN retains all rights of disposal, such as copying and circulation.
Page 65 of 65

Related product manuals