EasyManua.ls Logo

Fermax 8036 - E1.7 City Line Guard Unit Installation

Fermax 8036
64 pages
Print Icon
To Next Page IconTo Next Page
To Next Page IconTo Next Page
To Previous Page IconTo Previous Page
To Previous Page IconTo Previous Page
Loading...
Pag. 35
Technical
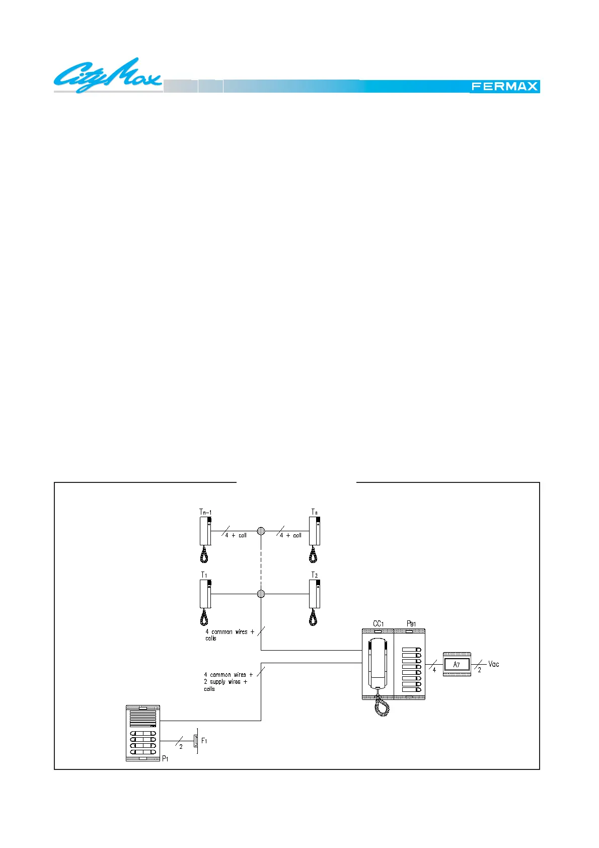
Door phone diagram with a City Line Guard Unit.
DIAGRAM SCHEMATIC
BASIC FUNCTION
The City Line Guard Unit consists of the guard’s phone
and a panel with the same number of pushbuttons as
there are on the outdoor panel, in fact each pushbutton
on the outdoor panel has its corresponding button on the
guard’s panel (see diagram).
It has a key for its activation and disactivation.
When it is on ("day mode") the outdoor panel is left
disconnected (without power), and there is only a
connection between the telephones and the guard unit. It
is therefore impossible to call directly from the outdoor
panel to the dwellings. Only the concierge can call directly
to the dwellings from his panel with his phone.The
residents can call the concierge by picking up their phone
and pressing the door release button, which produces an
audible signal in the guard unit.The concierge can talk to
the residents by simply picking up the telephone.
When it is off ("night mode") the outdoor panel is again
connected to the telephones, working in the normal way.
From the guard unit it is impossible to make or receive
calls from the dwellings.
MATERIAL USED
In the dwellings
T1,T2,..Tn CityMax Telephones Ref.: 8044
In the communal interior area
A7 Distributor Power Supply Ref.:88231
CC Guard Unit Ref.: 8699
PB1 Basic Pushbutton Panel
(Neccessary combination. The number of pushbuttons
must coincide with the outdoor panel).
In the street
P1 Outdoor Panels
Neccessary combination.
F1 Electric lock Ref.: 2911
For other types consult catalogue.
E 1.7 DOOR PHONE SYSTEM
CITY LINE GUARD UNIT

Related product manuals