EasyManua.ls Logo

Fermax 8036 - E1.9 CityCom III Retention Line Installation

Fermax 8036
64 pages
Print Icon
To Next Page IconTo Next Page
To Next Page IconTo Next Page
To Previous Page IconTo Previous Page
To Previous Page IconTo Previous Page
Loading...
Pag. 39
Technical
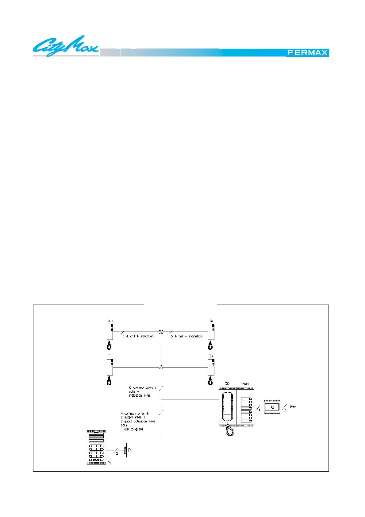
Door phone diagram with a CityCom III Guard Unit featuring retention line.
BASIC FUNCTION
The CityCom III Guard Unit consists of a special guard
telephone and a panel with the same number of pushbuttons
as the outdoor panel. In fact, each button on the outdoor
panel is connected to a button on the concierge’s panel,
(see diagram). Each button has a small LED diode
incorporated.
It has a key for its activation and disactivation.
When it is on ("day mode") the calls made from the outdoor
panel are passed through the concierge, who can pass it
on to the dwelling called. The residents can call the concierge
by pressing the call concierge button, which produces an
audible signal in the guard unit and also makes the
corresponding LED light up. The concierge thus knows
who is calling him and so can return the call at an time. A
reset button allows the concierge to put out all the lights.
When it is off ("night mode") the calls from the outdoor
panel are sent directly to the dwelling called, the system
thus working in the normal way. From the guard unit it is
not possible to make or receive calls from the dwellings.
The CityCom III Guard Unit features other functioning
modes, which can be configured using the bridges
CN5-CN8.
See the installation manual supplied with the Guard Unit.
SCHEMATIC DIAGRAM
MATERIAL NEEDED
En las viviendas
T1, T2,..Tn Citymax Extra Telephone Ref.: 8045
In the communal interior area
A7 Distributor Power Supply Ref.: 88231
CC1 Guard Unit Ref.: 84601
PRL1 Retention Pushbuttons Panel
Combination neccesary. The number of botton to coinci-
de with those on the outdoor panel.
In the street
P1 Outdoor Panels
Combination neccessary.
F1 Electric lock Ref.: 2911
For other types consult catalogue.
E 1.9 DOOR PHONE SYSTEM
CITYCOM III. FEATURING RETENTION LINE

Related product manuals