EasyManua.ls Logo

Fermax LOFT VISION 5 - Page 16

Fermax LOFT VISION 5
32 pages
Print Icon
To Next Page IconTo Next Page
To Next Page IconTo Next Page
To Previous Page IconTo Previous Page
To Previous Page IconTo Previous Page
Loading...
Pag 16
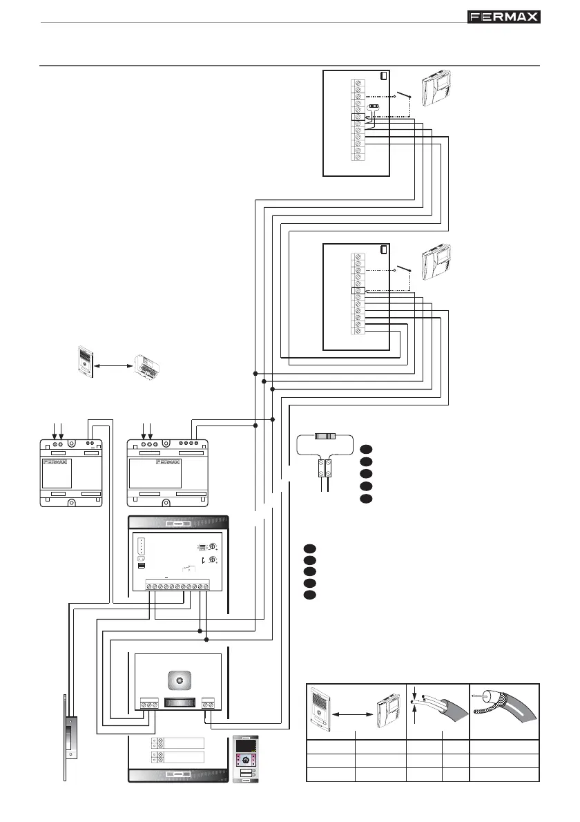
Kit VIDEO LOFT VISION 5
Kit VIDEO LOFT VISION 5
+
-
L
V+
V-
CT
+-
V+
V-
..........
..........
....
....
Vo+
Vo-
Vi-
Vi+
-+-+
Ct
L
B
S
EXT.
INT.
C
B
No
+-
+12
Nc
JP2
1
2
Vac
~~
Vac
CN1
CT
-
F1
T
A
L
+
F2
Vo+
Vo-
Vi-
Vi+
10 Kohm
CN1
CT
-
F1
T
A
L
+
F2
HIGH PERFORMANCE
MULTIPLEXED DIGITAL SYSTEM
STOP
12 Vac
PLAC
TELEFONO
ESQUEMA DE CABLEADO - WIRING DIAGRAM - SCHEMA DE CABLAGE
VERKABELUNGSSCHEMA - ESQUEMA DE CABLAGEM
18 Vdc
P1
P1
+
1
8
V
1
.
5
A
5
0
-
6
0
H
z
.
5
0
V
A
M
A
X
.
1
2
V
1
A
F
U
E
N
T
E
A
L
I
M
E
N
T
A
C
I
O
N
K
I
T
D
I
G
I
T
A
L
M
AD
E
IN
S
PA
IN
D. max.
30 m
90 feet
(*)
- KIT 2 L
P1:
E
Pulsador de llamada puerta vivienda.
EN
Call pushbutton at the apartment’s door.
F
Poussoir d’appel sur la porte du logement.
D
Ruftaste an der Wohnungstür.
P
Botão de chamada na porta do apartamento.
10 Kohm
(*) IMPORTANTE - IMPORTANT - WICHTIG
+ L
10 Khoms:
E
entre los bornes + y L del último monitor.
EN
between terminals + and L in the last monitor.
F
entre les bornes + et L du moniteur.
D
Zwischen Klemmen ”+“ und ”L“ des Monitors.
P
os terminais + e L do último monitor.
1 - 50
50 - 100
100 - 200
75 Ohm
75 Ohm
75 Ohm
mm
mm
mm2,5
1,5
1
2
2
2
S
metros / metres
pies / feet
AWG
3 - 150
150 - 300
mm
2
17
15
13
D
300 - 600
12 Vac

Other manuals for Fermax LOFT VISION 5

Related product manuals