EasyManua.ls Logo

Fermax LOFT VISION 5 - Page 19

Fermax LOFT VISION 5
32 pages
Print Icon
To Next Page IconTo Next Page
To Next Page IconTo Next Page
To Previous Page IconTo Previous Page
To Previous Page IconTo Previous Page
Loading...
Pag 19
Kit VIDEO LOFT VISION 5
Kit VIDEO LOFT VISION 5
+
-
L
V+
V-
Vo+
Vo-
Vi-
Vi+
PROG
-
+
L
PROG
-
+
L
CN1
CT
-
F1
T
A
L
+
F2
+
REF.2482
-
-+
Vi+
Vi- Vo-
Vo+
V1+ V1- V2-V2+
V+
V-
L
L
-
+
DISTRIBUIDOR VIDEO VISION
5
VISION 5 VIDEO DISTRIBUTOR
Vo+
Vo-
Vi-
Vi+
Vo+
Vo-
Vi-
Vi+
CN1
CT
-
F1
T
A
L
+
F2
CN1
CT
-
F1
T
A
L
+
F2
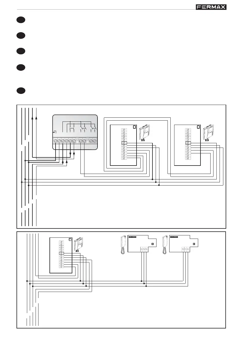
Los KITS de 2 y 3 LINEAS pueden ser ampliados con 2 teléfonos o 1 monitor
adicional sin necesidad de añadir fuentes de alimentación.
2 and 3 way Kits can be expanded with 2 telephones or 1 monitor without adding a
second power supply.
Les équipements de 2 et 3 lignes peuvent être étendu avec deux postes ou un
moniteur sans ajouter une seconde source d’alimentation dans le .
In den Fällen der Zwei- und Dreifamilienhaus-Sets kann im Falle des
EINFAMILIENHAUS-SETs um 2 zusätzliche Telefone oder um einen Monitor erweitert
werden, ohne dass weitere Netzgeräte eingeselzt werden müssen.
Os Kits de 2 e 3 linhas podem ser ampliados com 2 telefones ou 1 monitor adicional,
sem necessidade de acrescentar transformadores.
E
EN
F
D
P

Other manuals for Fermax LOFT VISION 5

Related product manuals