EasyManua.ls Logo

Fermax MEET KIN 1445

Fermax MEET KIN 1445
39 pages
To Next Page IconTo Next Page
To Next Page IconTo Next Page
To Previous Page IconTo Previous Page
To Previous Page IconTo Previous Page
Loading...
36
NOTE:
The 1491 module need be connected to the PANEL No.1 in the block. The decoder RS485 address
need be set to number 2 (factory defaults is 2).
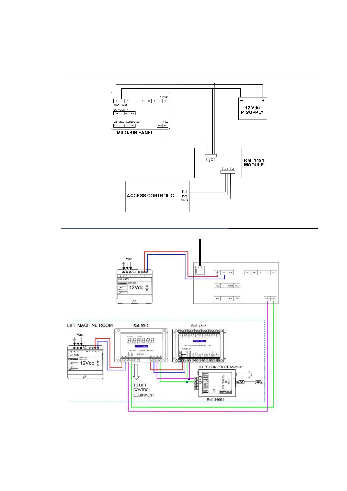
4.6 Diagram installation of the GUEST CODE Module Ref. 1494
4.7 Diagram installation of the lift control system Ref. 9545
This installation has to be performed in the PANEL nº 1 of the corresponding block only.

Related product manuals