EasyManua.ls Logo

Ferroli MILOS Air Compact E - Page 9

Ferroli MILOS Air Compact E
40 pages
Print Icon
To Next Page IconTo Next Page
To Next Page IconTo Next Page
To Previous Page IconTo Previous Page
To Previous Page IconTo Previous Page
Loading...
Supplied By www.heating spares.co Tel. 0161 620 6677
9
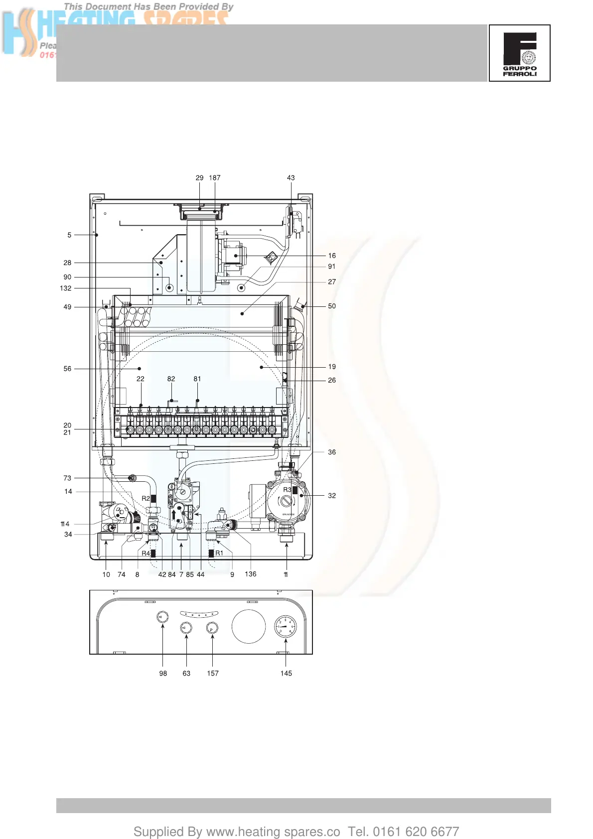
DOMINA F 24 - 30 E
FERELLA F 24 - 30 MEL
MILOS AIR COMPACT E
Version - 09.2002
F 30 E/MEL version
5 Airtight chamber
7 Gas inlet
8 Tap water outlet
9 Tap water inlet
10 System delivery
11 System return
14 Safety valve
16 Fan
19 Combustion chamber
20 Burner unit
21 Main nozzle
22 Burner
26 Combustion chamber insulation
27 Copper exchanger for heating and tap
water
28 Fume manifold
29 Fume outlet manifold
32 Heating circulator
34 Heating temp. sensor
36 Automatic air vent
42 Tap water temperature sensor
43 Air pressure switch
44 Gas valve
49 Safety thermostat
50 Heating thermostat
56 Expansion tank
63 Heating temperature setting
73 Antifreeze thermostat (optional)
R1-R2-R3-R4 Antifreeze heating elements
(optional)
74 Heating system cock
81 Ignition electrode
82 Detection electrode
84 1st gas valve operator
85 2nd gas valve operator
90 Fume detection point
91 Air detection point
98 Off-On-Reset switch
114 Water pressure switch
132 Fume deflector
136 Flow meter
145 Water gauge
157 Tap water temperature setting
187 Fume diaphragm
Version DOMINA - FERELLA

Related product manuals