EasyManua.ls Logo

Ferroli optima 201 - Appliance Dimensions

Ferroli optima 201
32 pages
Print Icon
To Next Page IconTo Next Page
To Next Page IconTo Next Page
To Previous Page IconTo Previous Page
To Previous Page IconTo Previous Page
Loading...
201
5
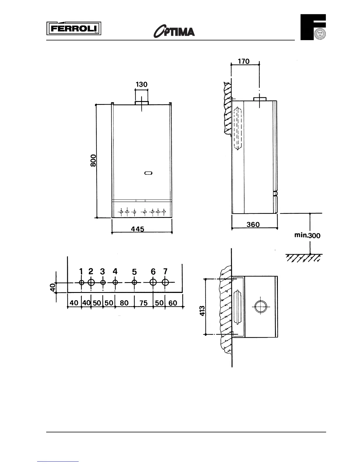
Appliance Dimensions
Fig. 1
Key
1. Electricity cable entry
2. Gas supply
3. Domestic Hot Water outlet
4. Domestic Cold Water inlet
5. Central Heating Pressure relief valve
6. Central Heating Flow outlet
7. Central Heating Return inlet

Related product manuals