EasyManua.ls Logo

Festo CP-E08-M12-CL - Page 23

Festo CP-E08-M12-CL
134 pages
Print Icon
To Next Page IconTo Next Page
To Next Page IconTo Next Page
To Previous Page IconTo Previous Page
To Previous Page IconTo Previous Page
Loading...
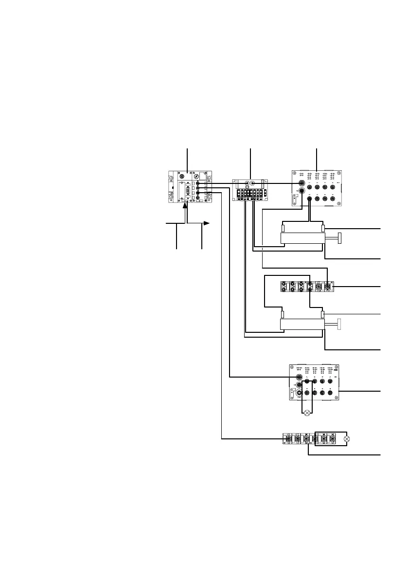
1. System overview CPI/CP system
1−7
Festo P.BE−CPEA−CL−E N en 0711a
Depending on their design, CPI/CP masters control the
transfer of data to the different control systems via the
various fieldbuses.
1 Fieldbus
(incoming)
2 Fieldbus
(continuing)
3 CPI master (here
CPX−CP interface)
4 CP valve terminal
5 CPI input
modul e EL
6 Sensor
7 Cylinders
8 CPI input
modul e CL
9 CPI output
modul e EL
aJ CPI output
modul e CL
1
2
45
6
7
6
8
9
7
aJ
3
Fig.1/2: Method of operation of the CP system

Table of Contents

Related product manuals