EasyManua.ls Logo

Finn BarkBlower BB-1208 MS - Page 48

Finn BarkBlower BB-1208 MS
77 pages
Print Icon
To Next Page IconTo Next Page
To Next Page IconTo Next Page
To Previous Page IconTo Previous Page
To Previous Page IconTo Previous Page
Loading...
42
WHEN ORDERING PARTS, BE SURE TO STATE
SERIAL NUMBER OF MACHINE
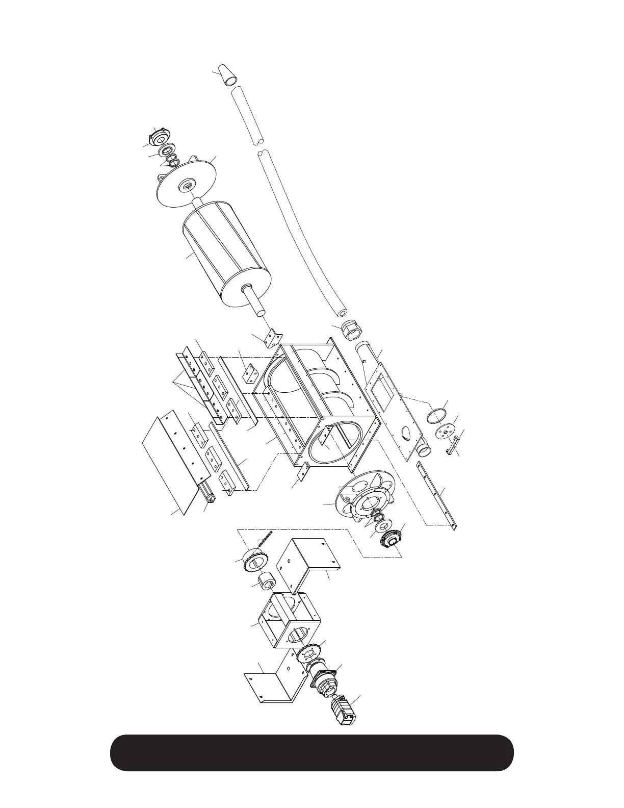
AIRLOCK PARTS
3
9
01
8
1
42
32
12
6
4
6
4
91
02
02
91
2
26
3
01
9
7
31
51
81
22
22
61
21
11
A7
25
28
29
30
27
14
5

Table of Contents

Related product manuals