EasyManua.ls Logo

Finn BarkBlower BB-1208 MS - Hydraulic System

Finn BarkBlower BB-1208 MS
77 pages
Print Icon
To Next Page IconTo Next Page
To Next Page IconTo Next Page
To Previous Page IconTo Previous Page
To Previous Page IconTo Previous Page
Loading...
54
WHEN ORDERING PARTS, BE SURE TO STATE
SERIAL NUMBER OF MACHINE
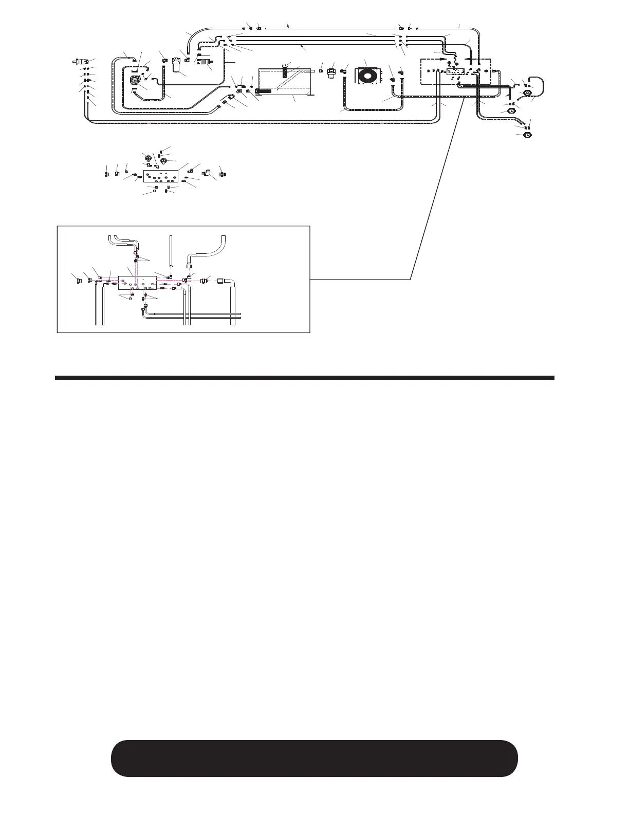
HYDRAULIC SYSTEM
Ref. No. Part Number Description No. Req'd
1 008708 Lenz #20-APC 1
2 011504 Lenz #8PN 1
3 012044 Pressure Gauge #CF-5000-25 2
4 012091 Lenz #A3405-12 1
5 012103 Lenz #STP-06 3
6 012362 Lenz #12 STP Plug 1
7 012419 Midstate #6505-04-04 2
8 041053 Lenz #3105-8-8 1
9 041150 Lenz #20PN 1
10 045203 Lenz #100-16-F16 2
11 045204 Lenz #100-6-F6 6
12 052028 Lenz #2406-16-12 2
13 052748 Lenz #4SPN 1
14 053018 Lenz #20-45SE 1
15 053046 1/4" Plug x 1/4" Female Pipe - H2F2 2
16 053047 1/4" Socket x 1/4" Female Pipe - 2HF2 2
17 053051 Lenz #A3105-4-10 2
18 053076 Airway #6503-4-4 1
19 053078 Lenz #A3405-12-20 (Midstate #6801-12-20) 2
20 053114 Flange Kit #SKS-12 1
21 053115 Flange Kit #SKS-20 1
22 055232 Lenz #A3105-8-8 (Midstate#6400-08-08) 1
23 055309 Lenz #A3405-6-10 (Midstate #6801-6-10) 1
24 055358 Lenz #A3405-16-20 1
25 055383 Lenz #A3105-16 (Midstate #6400-16-16) 1
67
9
8
61
8
51
51
28
64
7
50
DETAIL A
A
7
7
31
58
14
9
8
68
2
37
71
72
11
10
12
48
41
50
39
38
1
65
40
54
29
44
28
28
28
61
62
29
42
45
60
46
23
43
50
47
11
11
72
35
35
59
24
56
70
72
57
11
34
52
10
12
11
11
51
29
63
29
19
53
66
19
49
27
21
20
67
22
55
NOTE:
The Arrow on Item 73
points away from Item 68
17
17
16
16
15
15
13
73
69
3
64
4
5
5
6
5
3
DETAIL A
SCALE 1 / 10
36
30
30
18
33
26
26
32
25
26
26
26
26

Table of Contents

Related product manuals