EasyManua.ls Logo

FireClass FC503 - Page 4

FireClass FC503
16 pages
Print Icon
To Next Page IconTo Next Page
To Next Page IconTo Next Page
To Previous Page IconTo Previous Page
To Previous Page IconTo Previous Page
Loading...
4
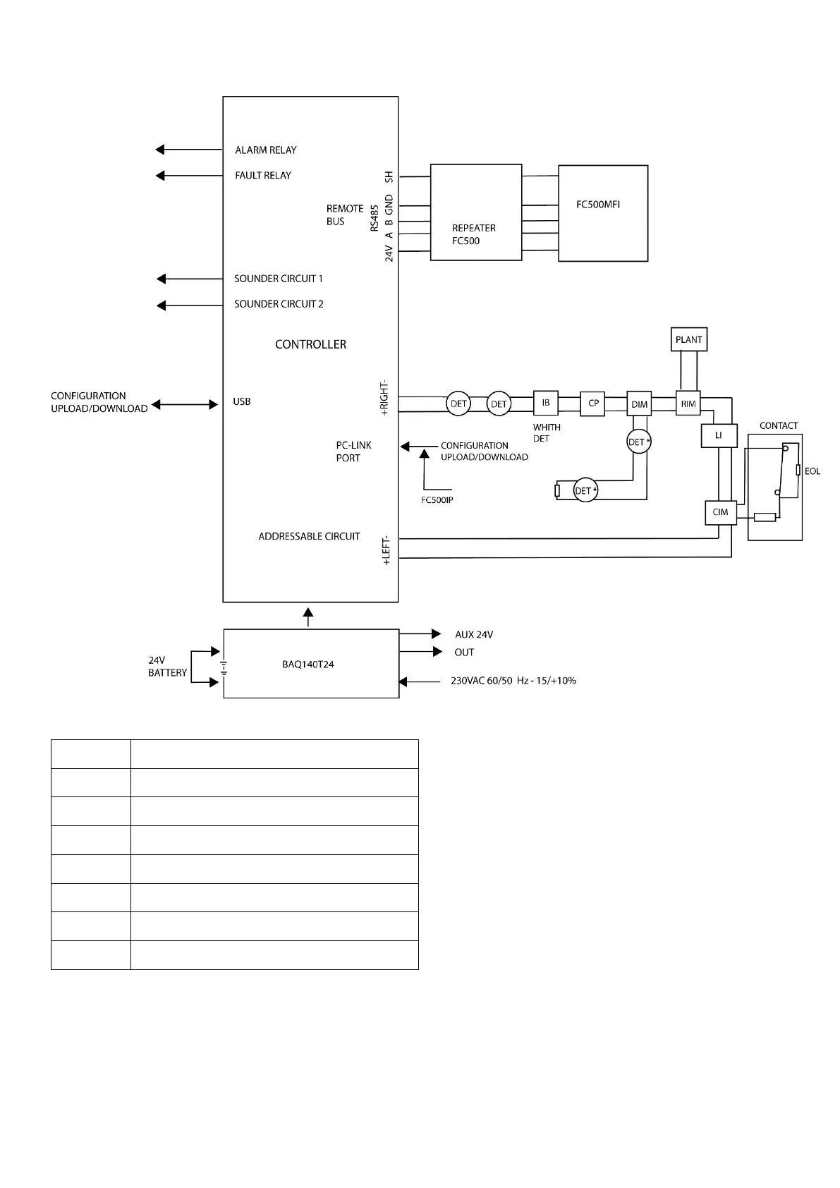
Figure: 1 Schematic diagram for typical system layout
DET
Addressable detector
DET*
Conventional detector
IB
Isolator base
CP
Call point
DIM
Detector input module
RIM
Relay interface module
CIM
Contact input module
LI
Line isolator

Other manuals for FireClass FC503

Related product manuals