EasyManua.ls Logo

FireClass FC503 - Output Device Connections; Bell Output Terminals

FireClass FC503
88 pages
Print Icon
To Next Page IconTo Next Page
To Next Page IconTo Next Page
To Previous Page IconTo Previous Page
To Previous Page IconTo Previous Page
Loading...
Callout Description
A Isolators
Callout Description
B
Compatible analogue devices (Fire
detector, Input modules, Output
modules, Manual callpoints)
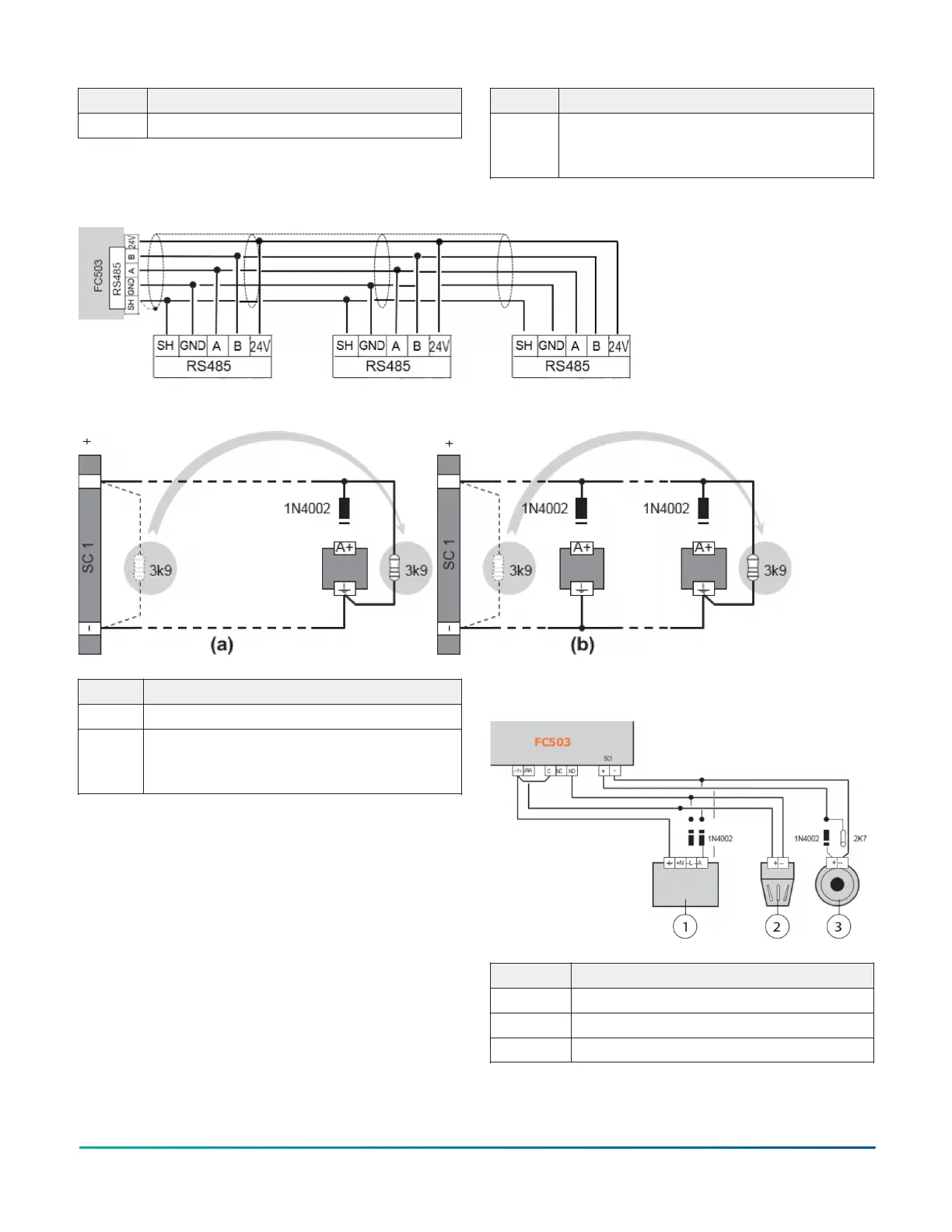
Figure 11: Wiring diagram of eight (max) FC500 repeaters connected to the RS485
Figure 12: Wiring diagram of the connection of a single device
Callout Description
a Connecting to several devices
b
Connecting to bell outputs (device
activated by positive (27.6 V) on terminal
[A+])
Connecting output devices
The control panel has non supervised outputs and
two bell outputs.
Connect output devices to the loops using output
modules.
Bell outputs
The bell outputs are indicated by the letter SC and
their address number.
The SC1 and SC2 bell outputs are supervised,
silenceable, and bypassable or disabled. SC2 is also
programmable.
Figure 13: Wiring diagram: Non-silenceable and
silenceable output connections
Callout Description
1 Self-powered siren CALL-R24
2 Flasher
3 Bell
Force the bell outputs to standby using the SILENCE
button. When a user acknowledges an alarm,
FC503 and FC506 Addressable Fire Control Panels28
Johnson Controls - CONFIDENTIAL

Table of Contents

Other manuals for FireClass FC503

Related product manuals