EasyManua.ls Logo

Firman P08008 - Service and Warranty Information

Firman P08008
42 pages
Print Icon
To Next Page IconTo Next Page
To Next Page IconTo Next Page
To Previous Page IconTo Previous Page
To Previous Page IconTo Previous Page
Loading...
English Customer Service: 1-844-FIRMAN1
36
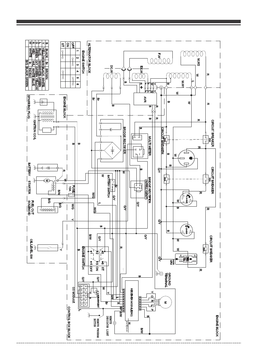
Parts Diagrams - Parts Lists - Wiring Diagram
Wiring Diagram

Related product manuals