EasyManua.ls Logo

Fischer Panda 12000 - Installation AC-Box; Distribution Panel Connected Separately

Fischer Panda 12000
250 pages
Print Icon
To Next Page IconTo Next Page
To Next Page IconTo Next Page
To Previous Page IconTo Previous Page
To Previous Page IconTo Previous Page
Loading...
Installation Instructions
18.12.15 Kapitel/Chapter 6: Installation Instructions - Seite/Page 109
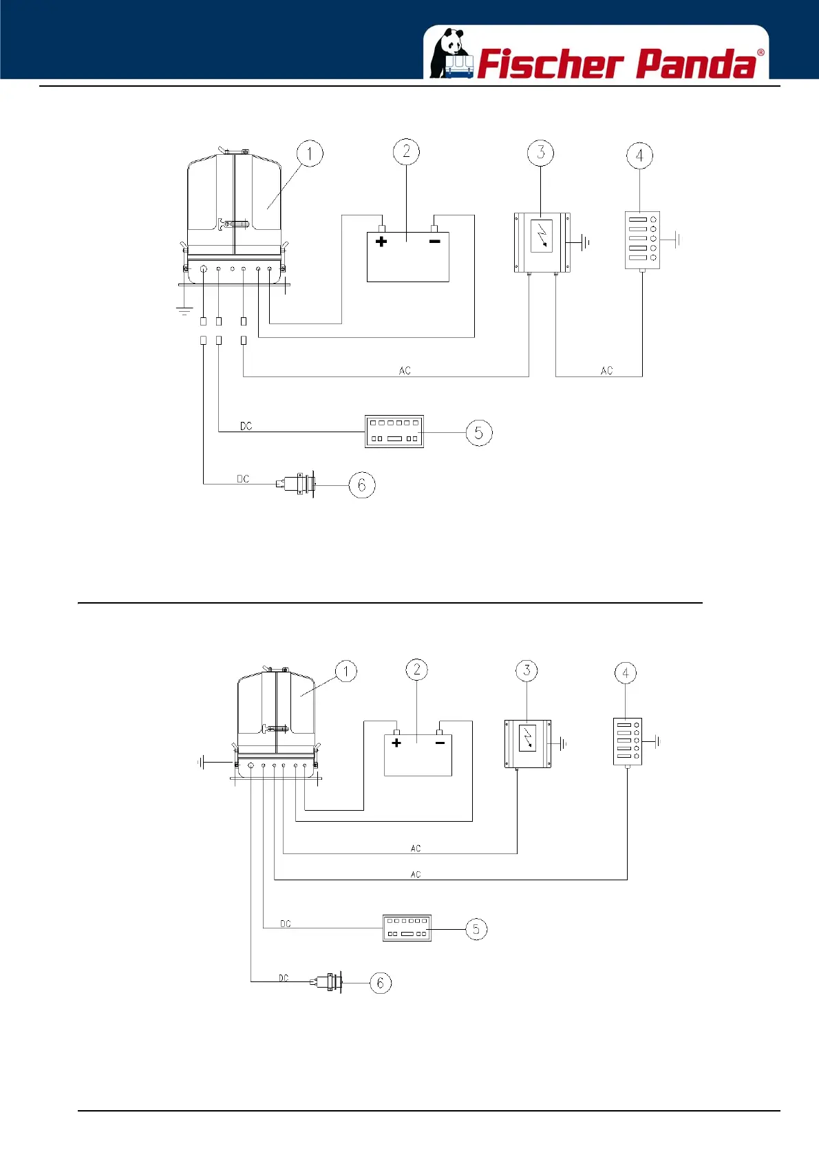
Fig. 6.16.1-1: Installation with looped-in AC Control box
6.16.2 Installation AC-Box / Distribution panel connected separately
Fig. 6.16.2-1: Installation AC-Box / Distribution panel connected separately
1. Generator
2. Battery
3. AC-Control box
4. Distribution panel
5. Remote control panel
6. Diesel pump
1. Generator
2. Battery
3. AC-Control box
4. Distribution panel
5. Remote control panel
6. Diesel pump

Table of Contents

Related product manuals