EasyManua.ls Logo

Fleck 9000 - Page 20

Fleck 9000
28 pages
Print Icon
To Next Page IconTo Next Page
To Next Page IconTo Next Page
To Previous Page IconTo Previous Page
To Previous Page IconTo Previous Page
Loading...
Printed in U.S.A.
Page 20
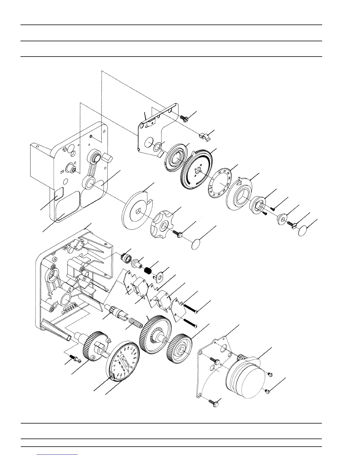
MODEL 9000 ECONOMINDER
Timer Assembly
(See opposite page for parts list)
1
2
3
4
5
6
7
8
9
10
11
12
14
15
16
17
18
19
20
22
23
24
25
26
27
28
29
30
31
32
33
35
36
37
38
39
40
13
41
26
26
20
17

Other manuals for Fleck 9000

Related product manuals