EasyManua.ls Logo

Flow ESL INTENSIFIER - Troubleshooting; Intensifier Weep Hole Identification; Check Valve Outlet Body Leakage; Main Check Valve Body Leakage

Flow ESL INTENSIFIER
44 pages
Print Icon
To Next Page IconTo Next Page
To Next Page IconTo Next Page
To Previous Page IconTo Previous Page
To Previous Page IconTo Previous Page
Loading...
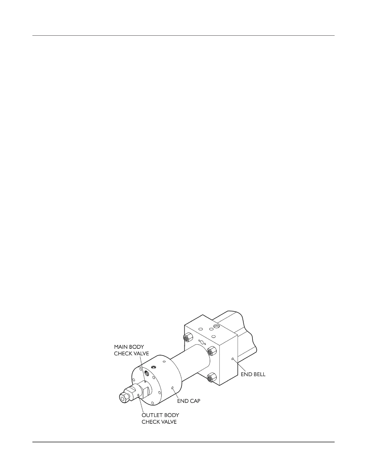
Troubleshooting
Intensifier weep hole identification
Water leaking from weep holes can provide clues to
the condition of components, depending on the tem
-
perature and force of the water.
Included with this manual is an intensifier troubleshoot
-
ing illustration that identifies the weep holes described
below.
Check valve outlet body
Leakage can be caused by the following:
Loose high-pressure connection
Cracked or scored check valve outlet body
Scored high-pressure tubing
Repair any problems immediately.
Main check valve body
Leakage can be caused by a loose connection and/or a
cracked or scored main body, insert, or outlet body.
Repair any problems immediately.
End cap
High-pressure water seal seepage is the most common
cause for end cap weep hole leakage. It can be caused
by a loose end cap, failure of the high-pressure seal be-
tween the cylinder and check valve main body, failure
of check valve body o-rings, or a cracked or scored
high-pressure water cylinder or check valve main body.
Cold water leaking from this weep hole can be caused
by a damaged o-ring on the check valve body or a
damaged high-pressure seal, whether or not the inten
-
sifier is running.
Check leakage quantity. If seepage is very gradually in
-
creasing, has not suddenly appeared, is no more than
lukewarm, and is less than two teaspoons
(0.8 oz/23 ml) per stroke, it is safe to continue to oper
-
ate the pump. See Intensifier Service Notes.
End bell
The weep hole is drilled into the void separating the
hydraulic oil cylinder and the high-pressure water cylin
-
der. Hydraulic oil leakage can be caused by:
Failure of the end bell hydraulic oil seal and/or
Cracked or scored end bell or plunger
Leakage is usually due to end bell oil seal damage.
Normal oil seal leakage can be up to one drip per hour.
Water leakage from the end bell weep hole is usually
caused by failure of the high-pressure water seal lo-
cated in the end of the cylinder, but can also result
from a cracked or scored high-pressure water cylinder
or plunger.
Check leakage quantity. If seepage very gradually
increases, has not suddenly appeared, is no more than
lukewarm, and is less than two teaspoons
(0.8 oz/23 ml) per stroke, it is safe to continue to
operate the pump. See Intensifier Service Notes.
© Flow International Corporation M-310 | 7
ESL Intensifier

Related product manuals