EasyManua.ls Logo

FLOWMAX 170 - Page 67

FLOWMAX 170
87 pages
Print Icon
To Next Page IconTo Next Page
To Next Page IconTo Next Page
To Previous Page IconTo Previous Page
To Previous Page IconTo Previous Page
Loading...
INSTALLATION INSTRUCTIONS
63
Outside
temperature
sensor (option)
Terminal block
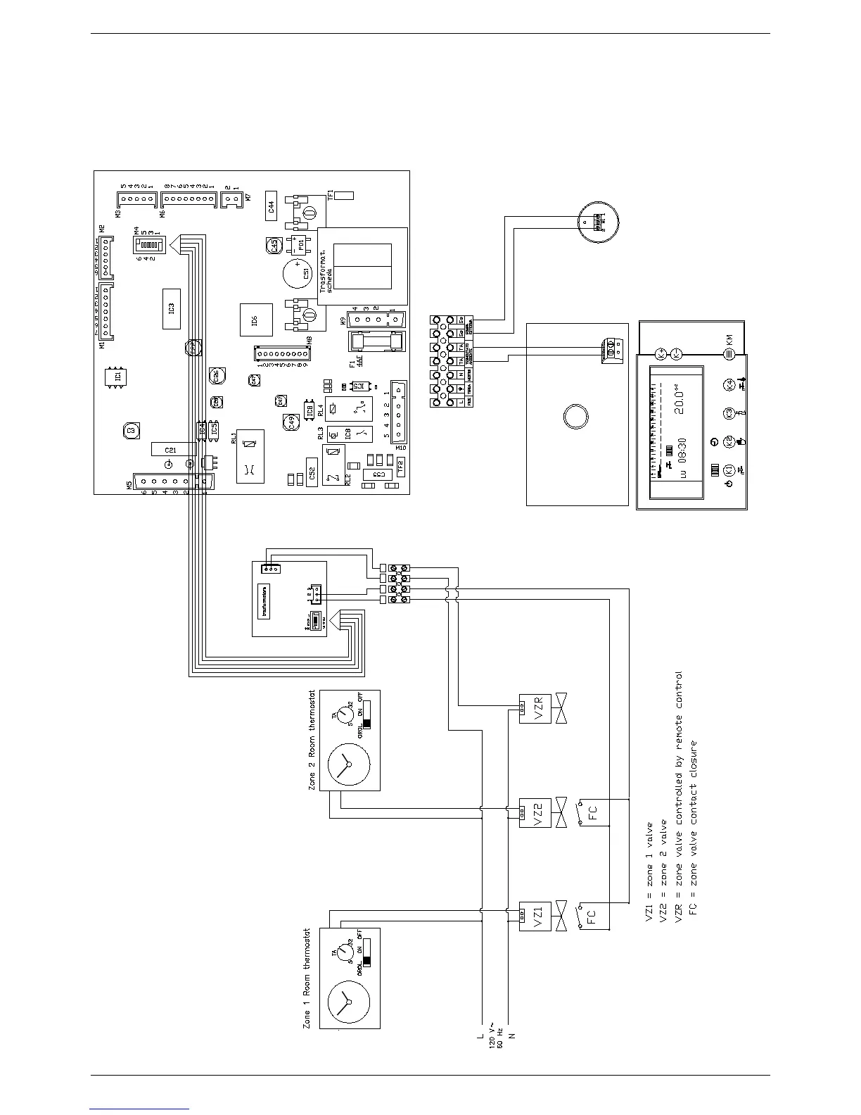
REMOTE "OPEN THERM"
Zone valve management +
option remote controller board
Remote control and zone valves wiring
For the installation of a zone valve p.c.b, it is necessary to access the main p.c.b for electrical connection (see 6.3
Accessing the water heater”) and to activate the parameter no. 16 (see 5.1 “Parameters table”).