EasyManua.ls Logo

Forest-Master FM4DDE - Exploded Diagram (FM4 DDE)

Default Icon
23 pages
Print Icon
To Next Page IconTo Next Page
To Next Page IconTo Next Page
To Previous Page IconTo Previous Page
To Previous Page IconTo Previous Page
Loading...
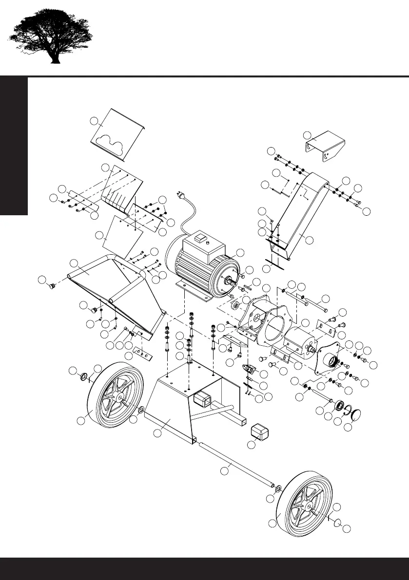
Forest Master Model: FM6DD/FM4DDE22
Exploded Diagram
FM4DDE Exploded Diagram (Electric)
2
4
6
7
8
5
3
11
12
10
48
45
47
42
46
47
45
48
25
24
23
52
44
29
17
16
49
49
27
28
21
20
19
18
50
36
34
37
38
37
35
39
40
11
12
31
26
32
51
30
54
16
17
14
13
12
29
29
30
30
53
9
15
22
43
43
60
56
33
57
55
32
7
1
33
59 41
7
41
58
41
7
33
8

Related product manuals