EasyManua.ls Logo

Forney 190 MP - Wiring Diagram

Forney 190 MP
109 pages
Print Icon
To Next Page IconTo Next Page
To Next Page IconTo Next Page
To Previous Page IconTo Previous Page
To Previous Page IconTo Previous Page
Loading...
30
WWW.FORNEYIND.COM
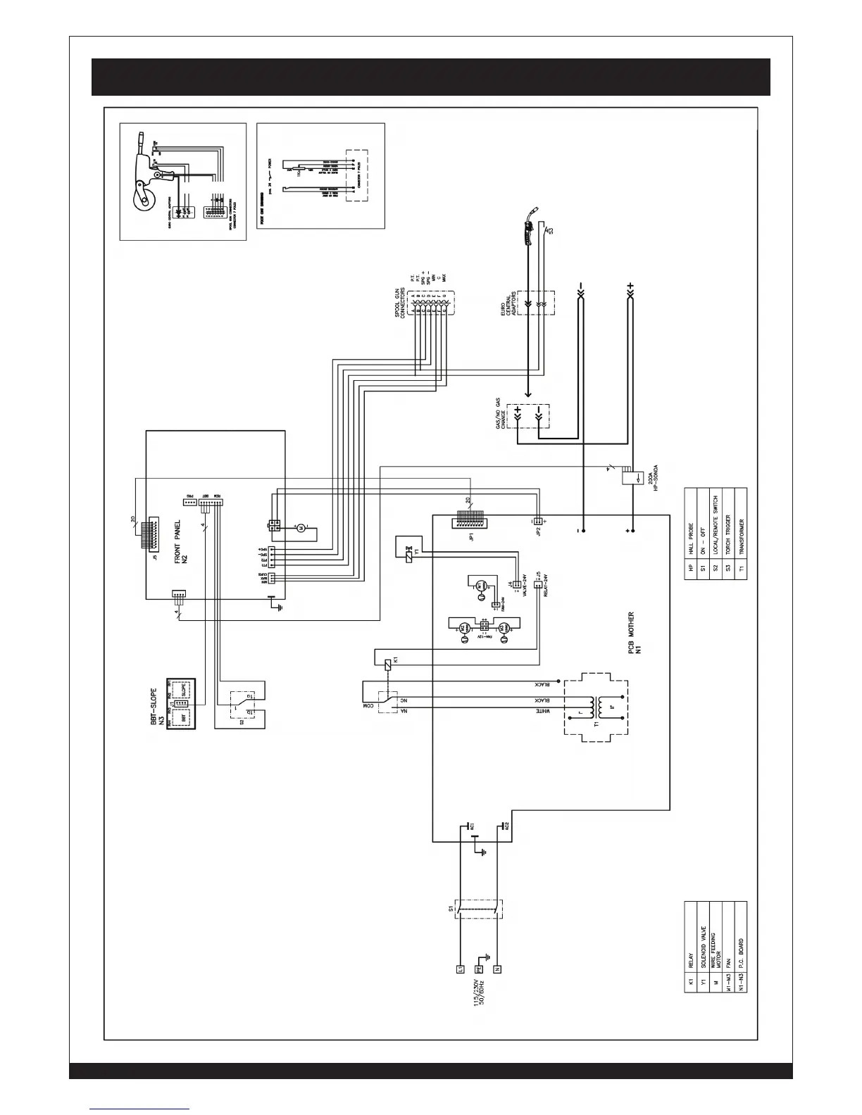
Wiring Diagram
BLUE
BLUE
BLUE
WHITE
WHITE
BLACK
BROWN

Table of Contents

Related product manuals