EasyManua.ls Logo

Forney 190 - Wiring Diagram

Default Icon
84 pages
Print Icon
To Next Page IconTo Next Page
To Next Page IconTo Next Page
To Previous Page IconTo Previous Page
To Previous Page IconTo Previous Page
Loading...
21
WWW.FORNEYIND.COM
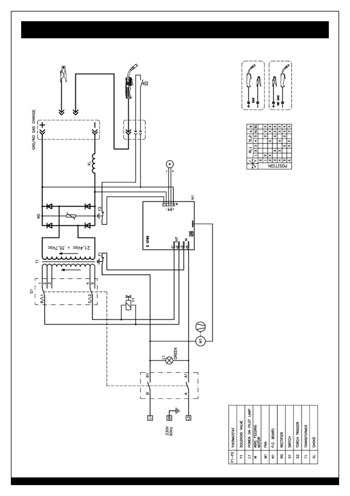
Wiring Diagram

Table of Contents

Related product manuals