EasyManua.ls Logo

Forney 190 - Schéma de Câblage

Default Icon
84 pages
Print Icon
To Next Page IconTo Next Page
To Next Page IconTo Next Page
To Previous Page IconTo Previous Page
To Previous Page IconTo Previous Page
Loading...
49
WWW.FORNEYIND.COM
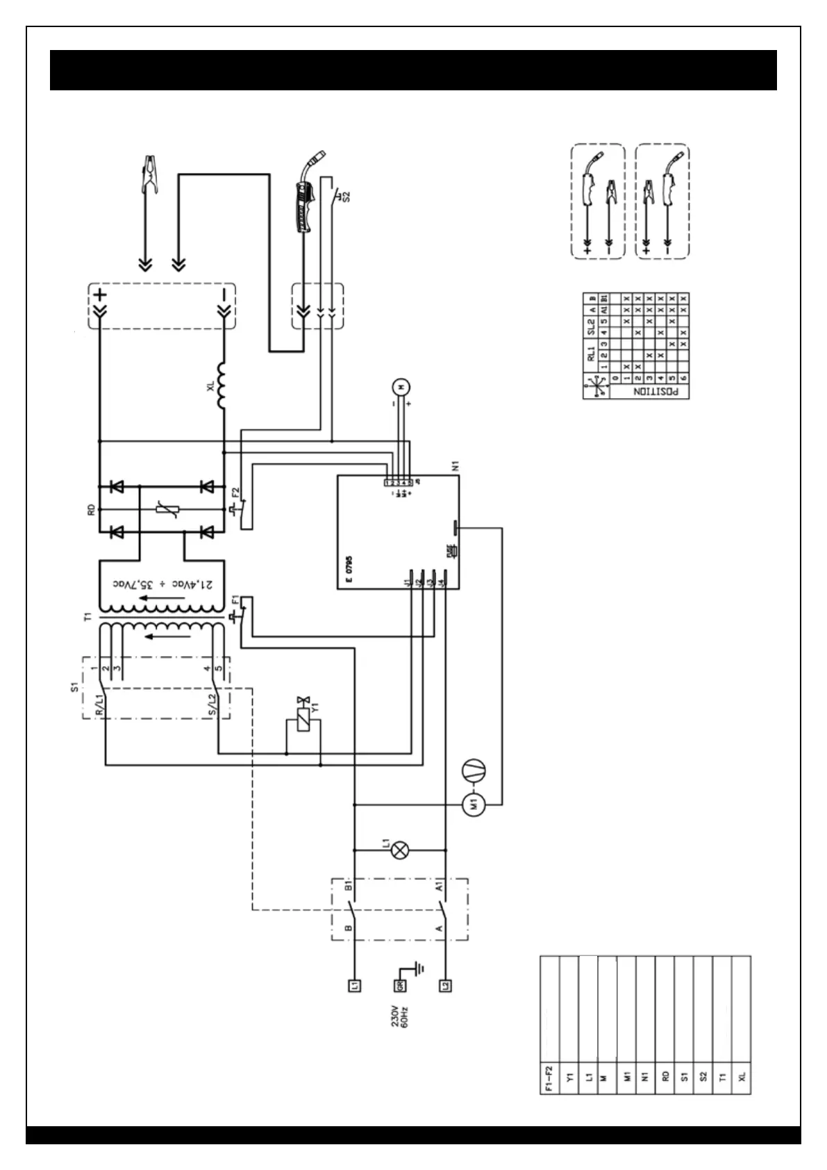
Schéma de câblage
INTERRUPTEUR GAZ/SANS GAZ
GAZ
SANS GAZ
VERT
EXTÉRIEUR
INTÉRIEUR
THERMOSTAT
VALVE DU SOLÉNOÏDE
LAMPE TÉMOIN SOUS TENSION
VENTILATEUR
MOTEUR D’ENTRAÎNEMENT
DU FIL
CARTE DE CIRCUITS IMPRIMÉS
REDRESSEUR
INTERRUPTEUR
GÂCHETTE DU CHALUMEAU
TRANSFORMATEUR
ÉTRANGLEUR

Table of Contents

Related product manuals