EasyManua.ls Logo

Forney 190 - Diagrama de Cableado

Default Icon
84 pages
Print Icon
To Next Page IconTo Next Page
To Next Page IconTo Next Page
To Previous Page IconTo Previous Page
To Previous Page IconTo Previous Page
Loading...
77
WWW.FORNEYIND.COM
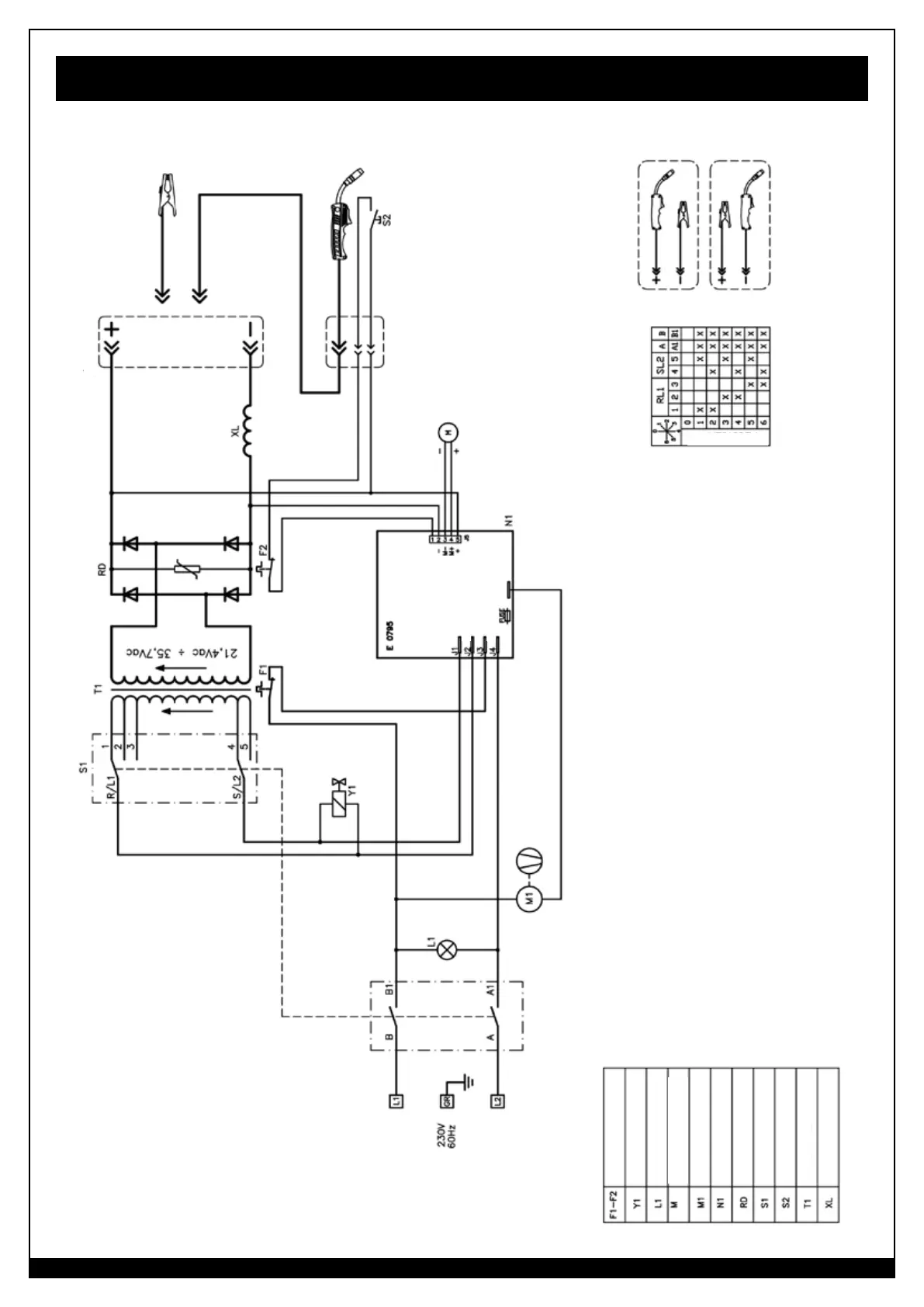
Diagrama de cableado
TERMOSTATO
VÁLVULA SOLENOIDE
ENERGÍA EN LA LÁMPARA DEL PILOTO
VENTILADOR
MOTOR DE ALIMENTACIÓN
DE ALAMBRE
TARJETA DE CIRCUITO IMPRESO
RECTIFICADOR
INTERRUPTOR
GATILLO DE LA ANTORCHA
TRANSFORMADOR
REDUCTOR
CAMBIO CON GAS/SIN GAS
CON GAS
SIN GAS
POSICIÓN
VERDE
SALIDA
ENTRADA

Table of Contents

Related product manuals