EasyManua.ls Logo

FORST XR8D - Hydraulics Circuit Diagram

FORST XR8D
55 pages
Print Icon
To Next Page IconTo Next Page
To Next Page IconTo Next Page
To Previous Page IconTo Previous Page
To Previous Page IconTo Previous Page
Loading...
Page 50
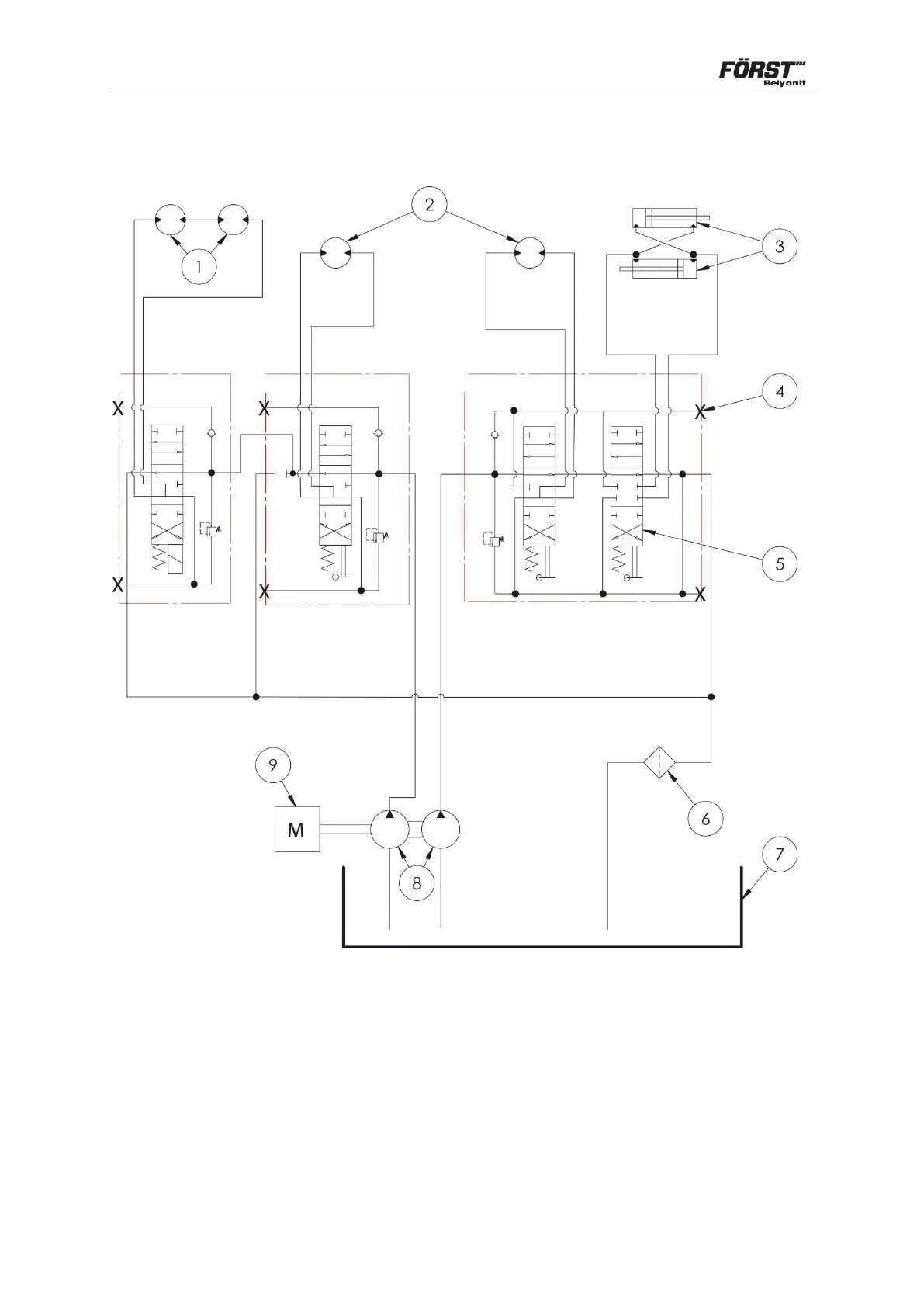
6.12 Hydraulics circuit diagram
1. Feed roller motors
2. Track motors
3. Track width cylinders
(optional)
4. Test points
5. Control valve
6. Return Line Filter
7. Oil tank
8. Tandem hydraulic
pump 11cc/rev
9. Engine

Related product manuals