EasyManua.ls Logo

Fortis RC-400A - Seat Assembly

Fortis RC-400A
28 pages
Print Icon
To Next Page IconTo Next Page
To Next Page IconTo Next Page
To Previous Page IconTo Previous Page
To Previous Page IconTo Previous Page
Loading...
14
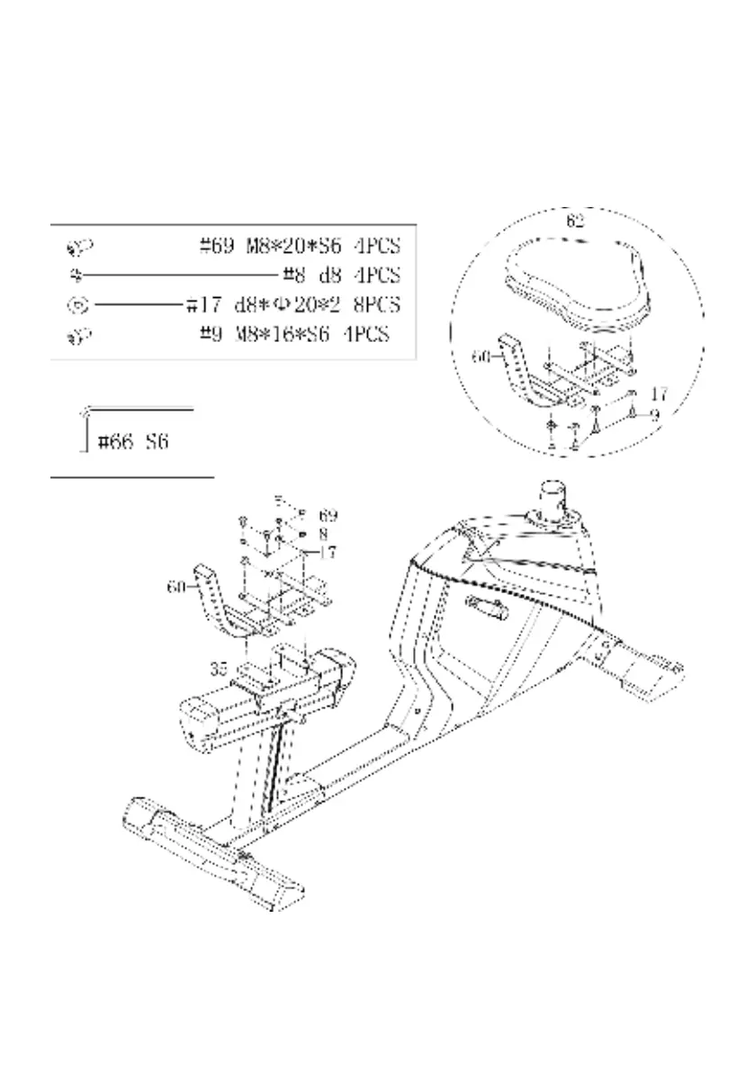
Step 6
Use the Allen Wrench (66) to unscrew the 4 Bolts (69), x4 Spring Washers (8) and x4
Washers (17) from the Seat Slider (35). Attach the Seat Post (60) to the Seat Slider (35) with
x4 Bolts (69), x4 Spring Washers (8) and x4 Washers (17)
Use the Allen Wrench (66) to unscrew the x4 Screws (9) and x4 Washers (17) from the Seat
(62). Attach the Seat (62) to the Seat Post (60) with x4 Screws (9) and x4 Washers (17).

Related product manuals