EasyManua.ls Logo

Frick SGC 1913 - Page 8

Frick SGC 1913
36 pages
Print Icon
To Next Page IconTo Next Page
To Next Page IconTo Next Page
To Previous Page IconTo Previous Page
To Previous Page IconTo Previous Page
Loading...
070.650-IOM (AUG 2015)
Page 8
SGC ROTARY SCREW COMPRESSOR
INSTALLATION
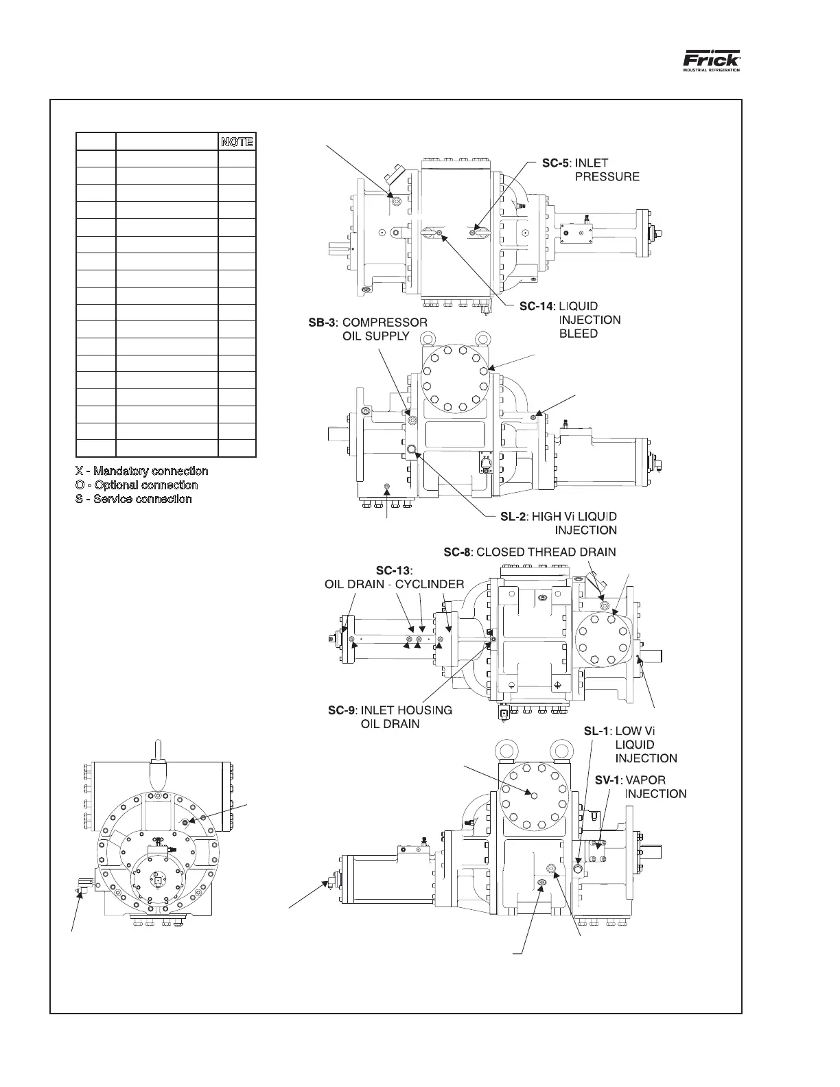
Figure 3. Port Locations, SGC 1913/1918
P: MANIFOLD
BLOCK
PRESSURE
SC-6: DISCHARGE PRESSURE
SD-1: COALESCER BLEED
SUCTION PORT
SIZE “L” CLASS 300 FLANGE
DISCHARGE
PORT
4" CLASS 300
FLANGE
SC-7: SEAL
WEEPAGE
SE-1: SLIDE STOP
LINEAR TRANSMITTER
SE-2: SLIDE VALVE
LINEAR TRANSMITTER
SC-8: CLOSED THREAD DRAIN
SM-1: MAIN OIL
INJECTION
T: MANIFOLD BLOCK
TANK
TE-1: SUCTION GAS
TEMP. ELEMENT
PORT THREAD SIZE NOTE
SB-3
1Z\zn - 12 UN-2B
X
SC-5
⁹\zn - 18 UNF-2B
O
SC-6
⁹\zn - 18 UNF-2B
O
SC-7
Z\₈ - 27 NPTF
O
SC-8
1Z\zn - 12 UN-2B
S
SC-9
⁹\zn - 18 UNF-2B
S
SC-13
⁹\zn - 18 UNF-2B
S
SC-14
⁹\zn - 18 UNF-2B
O
SD-1
1Z\zn - 12 UN-2B
O
SE-1 DIN Connector X
SE-2 DIN Connector X
SL-1
1Z\zn - 12 UN-2B
O
SL-2
1Z\zn - 12 UN-2B
O
SM-1
1Z\zn - 12 UN-2B
X
SV-1
1½ Square Flange
O
TE-1
³\₄ - 14 NPTF
O
P
⁹\zn - 18 UNF-2B
X
T
⁹\zn - 18 UNF-2B
X
X - Mandatory connection
O - Optional connection
S - Service connection

Table of Contents

Other manuals for Frick SGC 1913

Related product manuals