EasyManua.ls Logo

Frick Vyper 305 - Page 15

Frick Vyper 305
68 pages
Print Icon
To Next Page IconTo Next Page
To Next Page IconTo Next Page
To Previous Page IconTo Previous Page
To Previous Page IconTo Previous Page
Loading...
VYPER
VARIABLE SPEED DRIVE
INSTALLATION
100-200 IOM (FEB 09)
Page 15
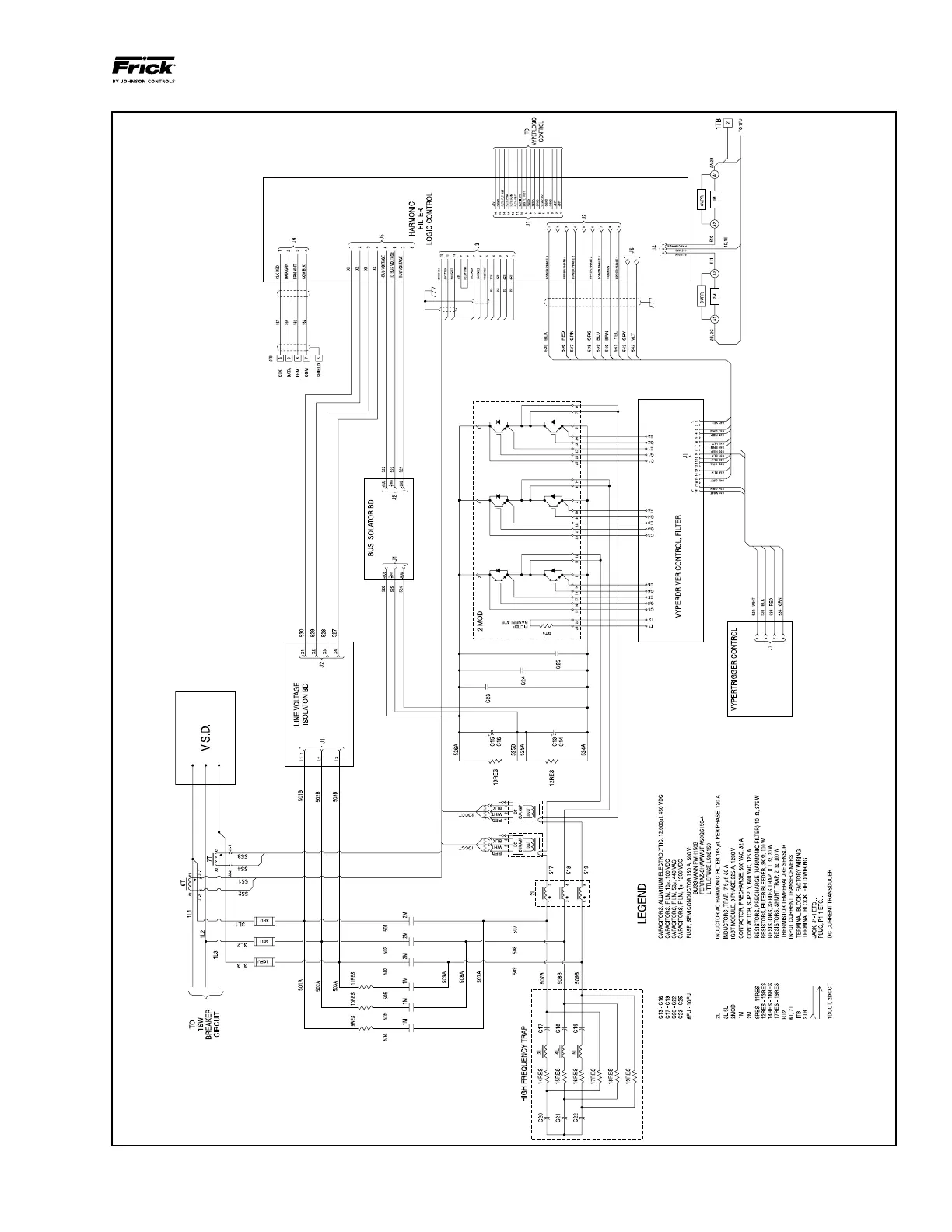
Figure 8 - Harmonic Filter Elementary Wiring Diagram
NOTE: Typical! Check with engineering for
latest drawings.

Table of Contents

Related product manuals