EasyManua.ls Logo

Friedrich FPHMR18A3A - Maintenance; Front Panel and Shell Maintenance; Air Filter Maintenance

Friedrich FPHMR18A3A
148 pages
Print Icon
To Next Page IconTo Next Page
To Next Page IconTo Next Page
To Previous Page IconTo Previous Page
To Previous Page IconTo Previous Page
Loading...
140 PB
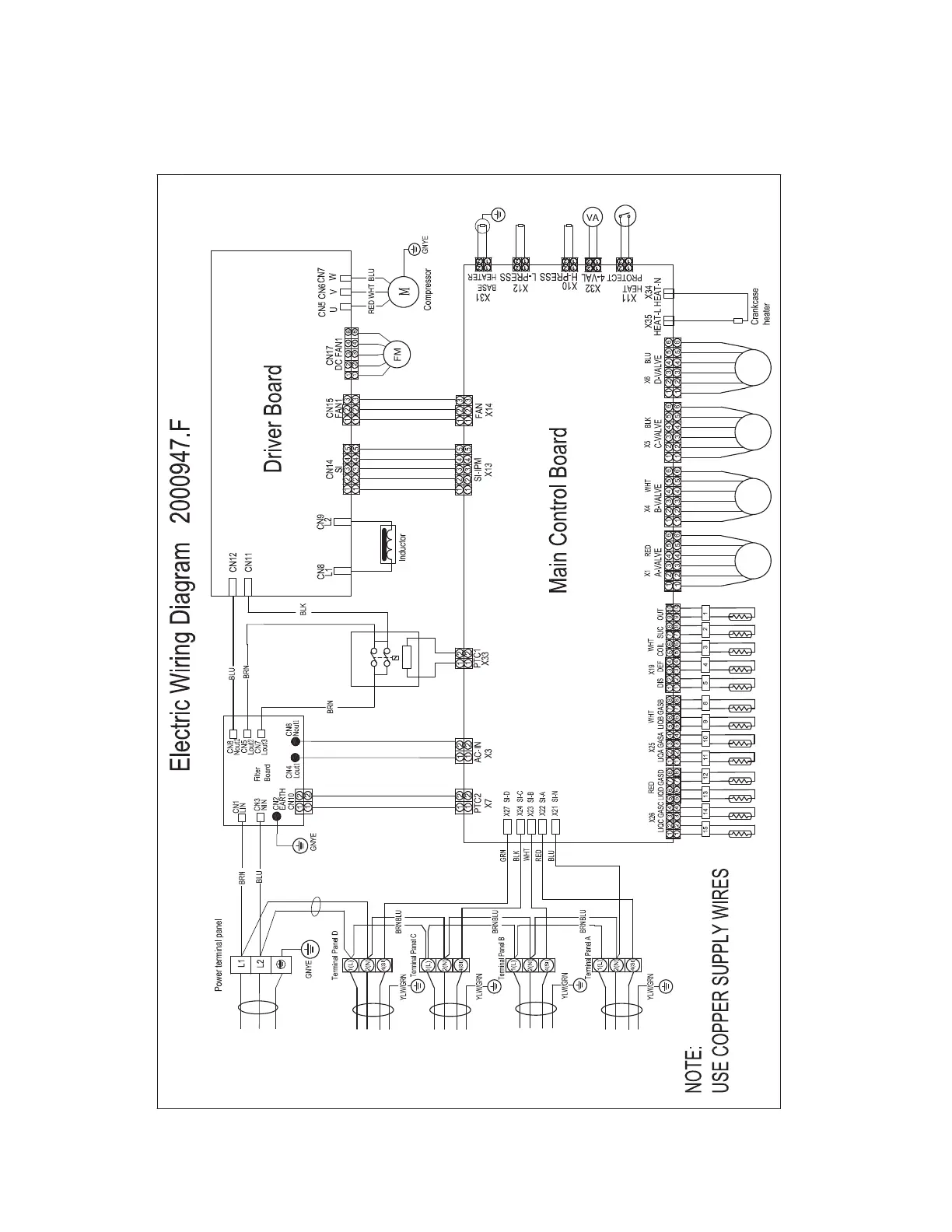
WIRING DIAGRAMS
36k Outdoor Units

Table of Contents

Other manuals for Friedrich FPHMR18A3A

Related product manuals