EasyManua.ls Logo

Friedrich SL22N30 - Page 73

Friedrich SL22N30
95 pages
Print Icon
To Next Page IconTo Next Page
To Next Page IconTo Next Page
To Previous Page IconTo Previous Page
To Previous Page IconTo Previous Page
Loading...
72
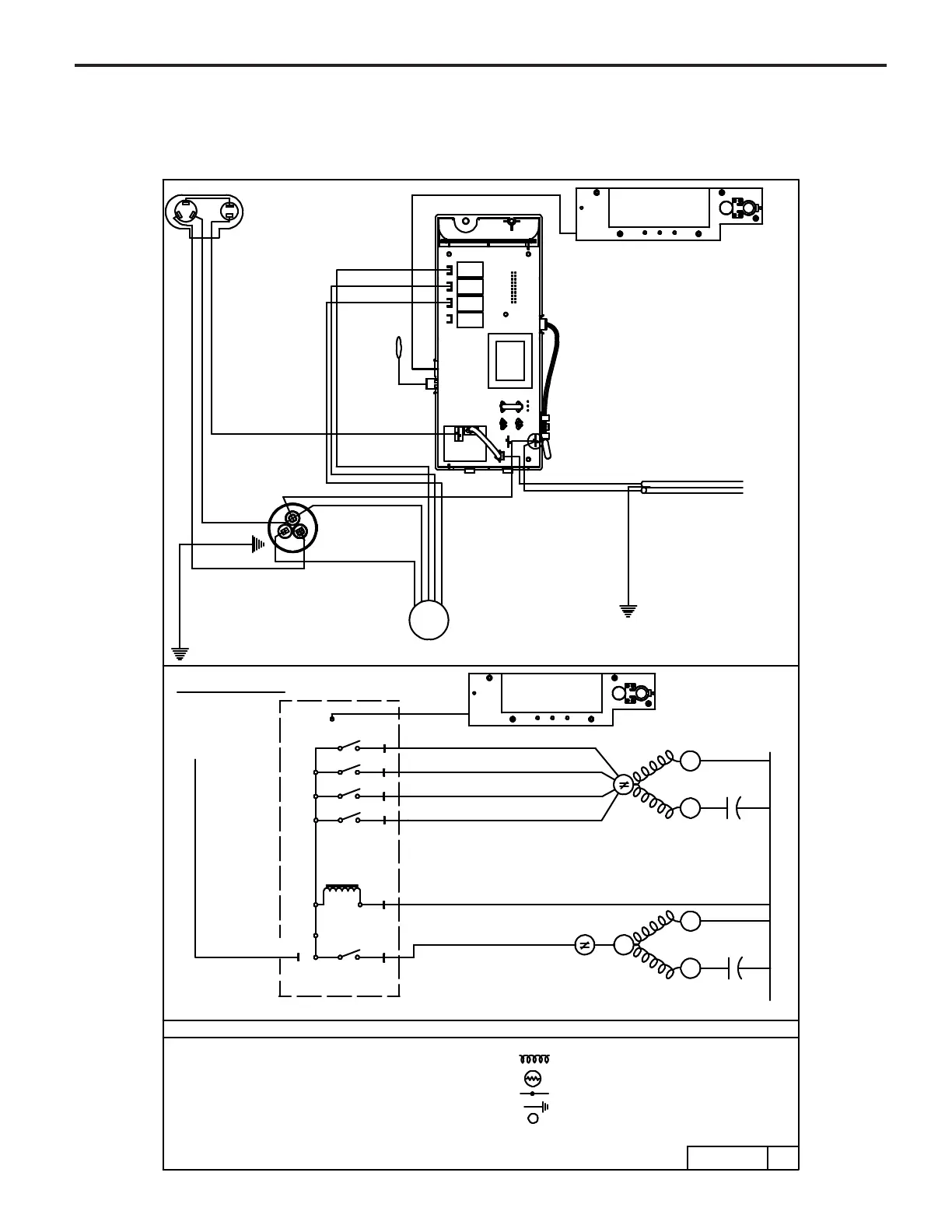
Kϋhl Electronic Control
COOL ONLY Models
SL22N30-A, SL24N30-A, SL24N30-B
HIGH
MAX
MEDIUM
R
S
R
S
C


F4
F3
F1
NEUTRAL
(115 V)
92170021
COMP
L1
L2 OR N
4
3
1
5
LOW
F22
L E G E N D
U
S
E
R
I
N
T
E
R
F
A
C
E
SCHEMATIC
(230/208 V)L2
OLP
OLP
COMPRESSOR
HERM COM
CAP
FAN MTR
FAN
COM
CAP
PART NO. REV.
01
- THERMISTER
- REVERSING VALVE
- COMBINATION TERMINAL
- HEATER ELEMENT
- INSULATOR
- GROUNDED LEAD SYMBOL
T
HTR
- FAN MOTOR







- COMPRESSOR
- CAPACITOR
COMPR
MTR
CAP
- USER INTERFACE
- OVERLOAD PROTECTOR
- THERMAL FUSE
- HEATER LIMIT FUSE
HL
UI
TF
OLP
TO CAPACITOR
BRACKET
BLUE
c
F
A
N
RED
R
-
F
-
-
F
-
S
-
F
-
C
TO CHASSIS
BLACK
RED
WHITE
BROWN
BLUE
BLACK
WHITE
WHITE
G
R
E
E
N
O
R
Y
E
L
L
O
W
/G
R
E
E
N
H
E
R
M
FAN
MOTOR
BLACK
ELECTRONIC CONTROL
POWER SUPPLY
230/208/115VAC

Table of Contents

Related product manuals