EasyManua.ls Logo

Friedrich SL22N30 - Cool Only Models

Friedrich SL22N30
95 pages
Print Icon
To Next Page IconTo Next Page
To Next Page IconTo Next Page
To Previous Page IconTo Previous Page
To Previous Page IconTo Previous Page
Loading...
71
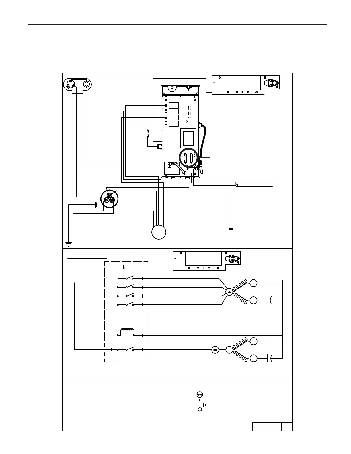
Kϋhl Electronic Control
COOL ONLY Models
SS08N10-A, SS10N10-A, SS10N10-B, SS12N10-A, SS14N10-A, SS14N10A-A,
SM15N10-A, SS12N30-A, SS15N30-A, SM18M30-A, SM21N30-A, SM24N30-A
HIGH
MAX
MEDIUM
R
S
R
S
C
COMPRESSOR


F4
F3
F1
NEUTRAL
(115 V)
92170019
COMP
L1
L2 OR N
4
3
1
5
LOW
F22
- HEATER ELEMENT
- INSULATOR
- GROUNDED LEAD SYMBOL
- COMBINATION TERMINAL
- THERMISTER
T
HTR
CAP
COMPR
UI
OLP
HL
TF
- HEATER LIMIT FUSE
- USER INTERFACE
- OVERLOAD PROTECTOR
- FAN MOTOR







- THERMAL FUSE
- COMPRESSOR
- CAPACITOR
MTR
L E G E N D
U
S
E
R
I
N
T
E
R
F
A
C
E
SCHEMATIC
(230/208 V)L2
OLP
OLP
COMPRESSOR
HERM COM
CAP
FAN MTR
FAN
COM
CAP
PART NO. REV.
01
TO CAPACITOR
BRACKET
BLUE
BLACK
c
F
A
N
RED
R
-
F
-
-
F
-
S
-
F
-
C
TO CHASSIS
BLUE
RED
BLACK
WHITE
BROWN
ORANGE
BLACK
WHITE
WHITE
G
R
E
E
N
O
R
Y
E
L
L
O
W
/G
R
E
E
N
H
E
R
M
FAN
MOTOR
ELECTRONIC CONTROL
POWER SUPPLY
230/208/115VAC
Make sure you have the
correct voltage
conguration
for your unit (See page 70).

Table of Contents

Related product manuals