EasyManua.ls Logo

Fromm P331 M - 1.8 Use of Accessory Tools

Fromm P331 M
48 pages
Print Icon
To Next Page IconTo Next Page
To Next Page IconTo Next Page
To Previous Page IconTo Previous Page
To Previous Page IconTo Previous Page
Loading...
1-17
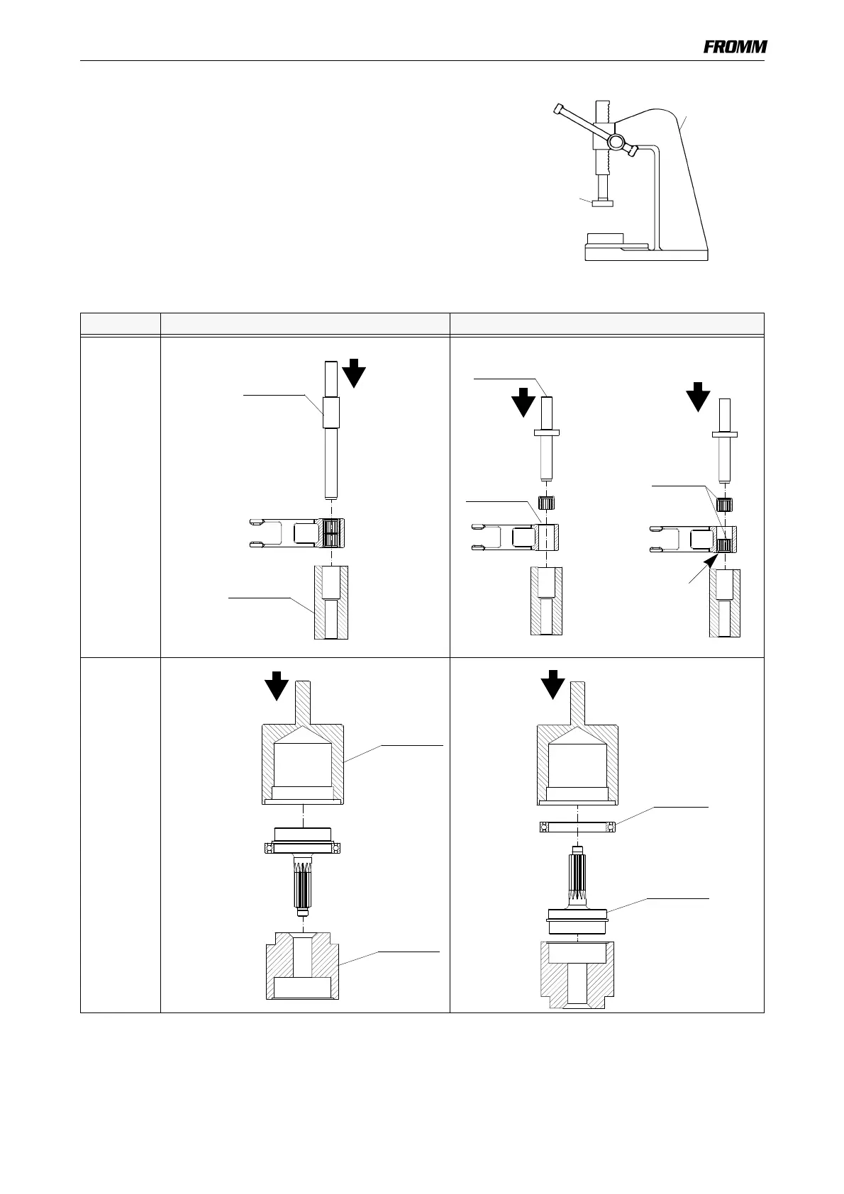
1.8 USE OF ACCESSORY TOOLS
Accessory tools should only be used with the suitable arbor press
N7.5108 to prevent a jam of the parts have to be pressed in.
Additional a retainer (N7.3215) is necessary.
Part Disassembly Assembly
P35.4106/
N3.2347
F1
P35.4150/
N3.1160
F2
N7.5108
N7.3215
N71.3240
N71.3241
N71.3290
N71.3291
N3.1160
P35.4150

Related product manuals