EasyManua.ls Logo

Fronius VR 1500-PAP - Schémas des Connexions; Vr 1500-Pap;D

Fronius VR 1500-PAP
Print Icon
To Next Page IconTo Next Page
To Next Page IconTo Next Page
To Previous Page IconTo Previous Page
To Previous Page IconTo Previous Page
Loading...
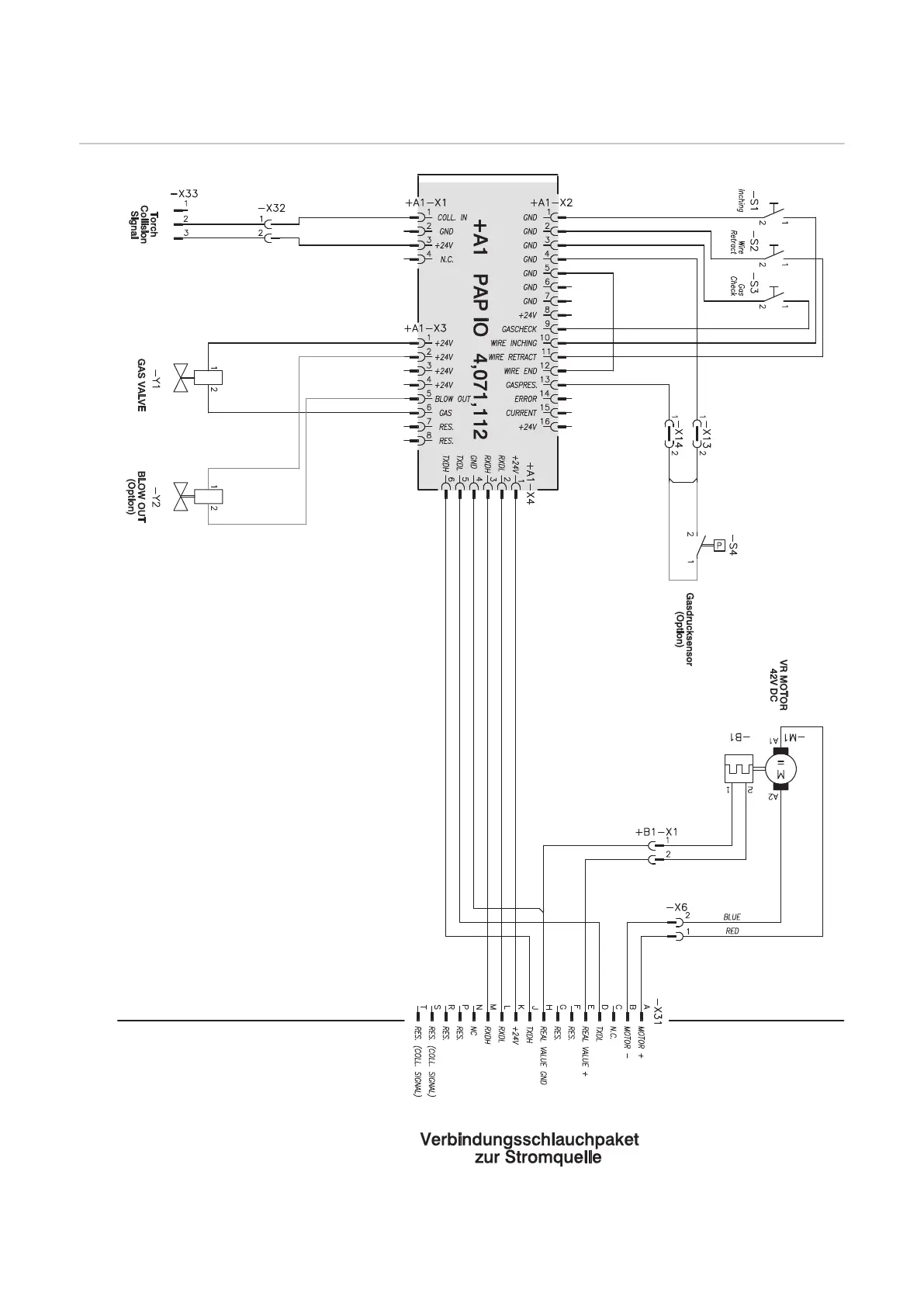
Schémas des connexions
VR 1500-PAP/D
90

Table of Contents

Related product manuals