EasyManua.ls Logo

Fujitsu AOYG45KATA - Model: AOYG45 KATA

Fujitsu AOYG45KATA
113 pages
Print Icon
To Next Page IconTo Next Page
To Next Page IconTo Next Page
To Previous Page IconTo Previous Page
To Previous Page IconTo Previous Page
Loading...
5-5. Model: AOYG45KATA
- 81 -
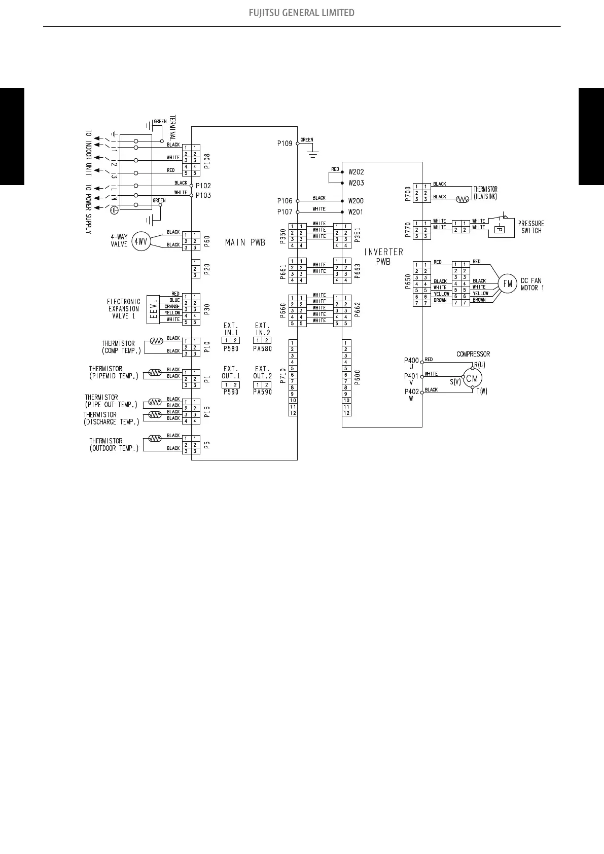
5-5. Model: AOYG45KATA 5. Wiring diagrams
OUTDOOR UNIT
AOYG18-45KATA
OUTDOOR UNIT
AOYG18-45KATA

Table of Contents

Other manuals for Fujitsu AOYG45KATA

Related product manuals