EasyManua.ls Logo

Fujitsu AR*9LUAB - Page 23

Fujitsu AR*9LUAB
96 pages
Print Icon
To Next Page IconTo Next Page
To Next Page IconTo Next Page
To Previous Page IconTo Previous Page
To Previous Page IconTo Previous Page
Loading...
- (01 - 22) -
MULTI TYPE
2ROOM TYPE
MULTI TYPE
2ROOM TYPE
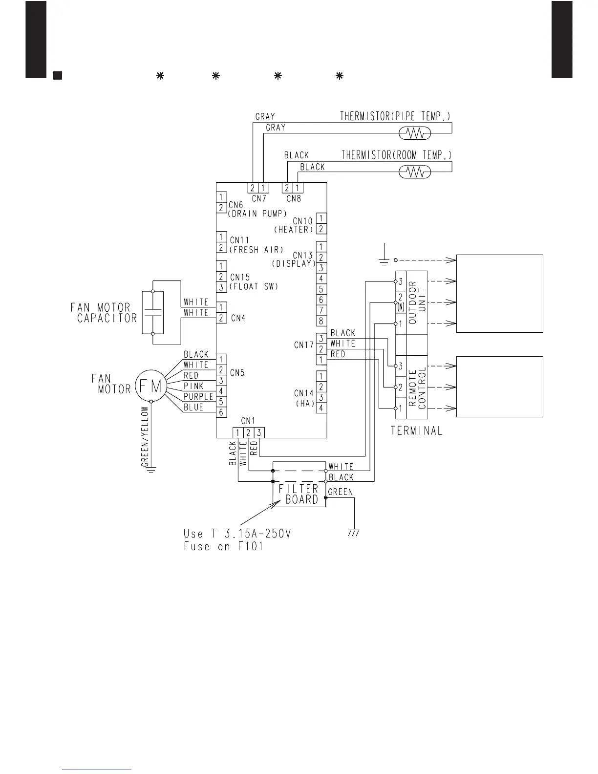
5-1. DUCTED MODEL
MODELS : AR 9L, AR 12L, AR 14L, AR 18L
5. WIRING DIAGRAMS
CONTROL
BOARD
TO OUTDOOR
UNIT
TO REMOTE
CONTROL UNIT

Other manuals for Fujitsu AR*9LUAB

Related product manuals