EasyManua.ls Logo

Fujitsu AR*9LUAB - Page 24

Fujitsu AR*9LUAB
96 pages
Print Icon
To Next Page IconTo Next Page
To Next Page IconTo Next Page
To Previous Page IconTo Previous Page
To Previous Page IconTo Previous Page
Loading...
- (01 - 23) -
MULTI TYPE
2ROOM TYPE
MULTI TYPE
2ROOM TYPE
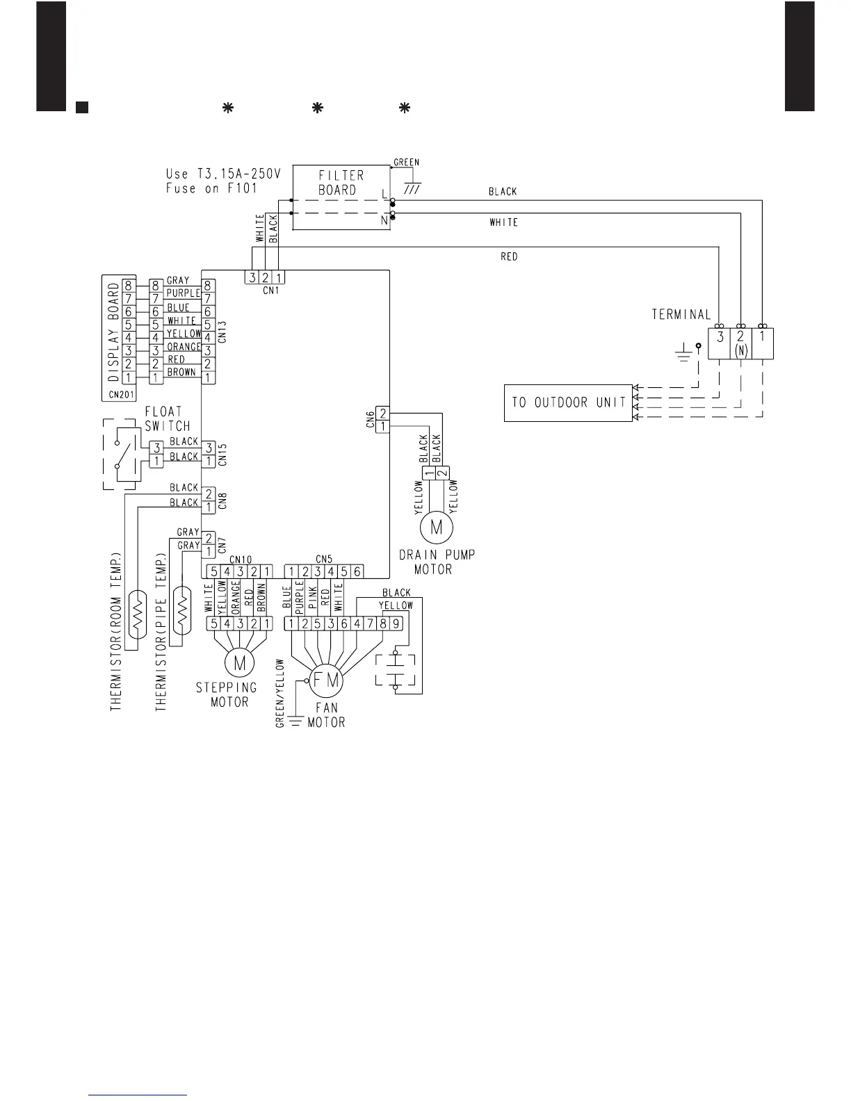
5-2. CASSETTE MODEL
MODELS : AU 12L, AU 14L, AU 18L
CONTROL
BOARD
FAN MOTOR
CAPACITOR

Other manuals for Fujitsu AR*9LUAB

Related product manuals