EasyManua.ls Logo

Fujitsu ARHG09LLTA

Fujitsu ARHG09LLTA
413 pages
To Next Page IconTo Next Page
To Next Page IconTo Next Page
To Previous Page IconTo Previous Page
To Previous Page IconTo Previous Page
Loading...
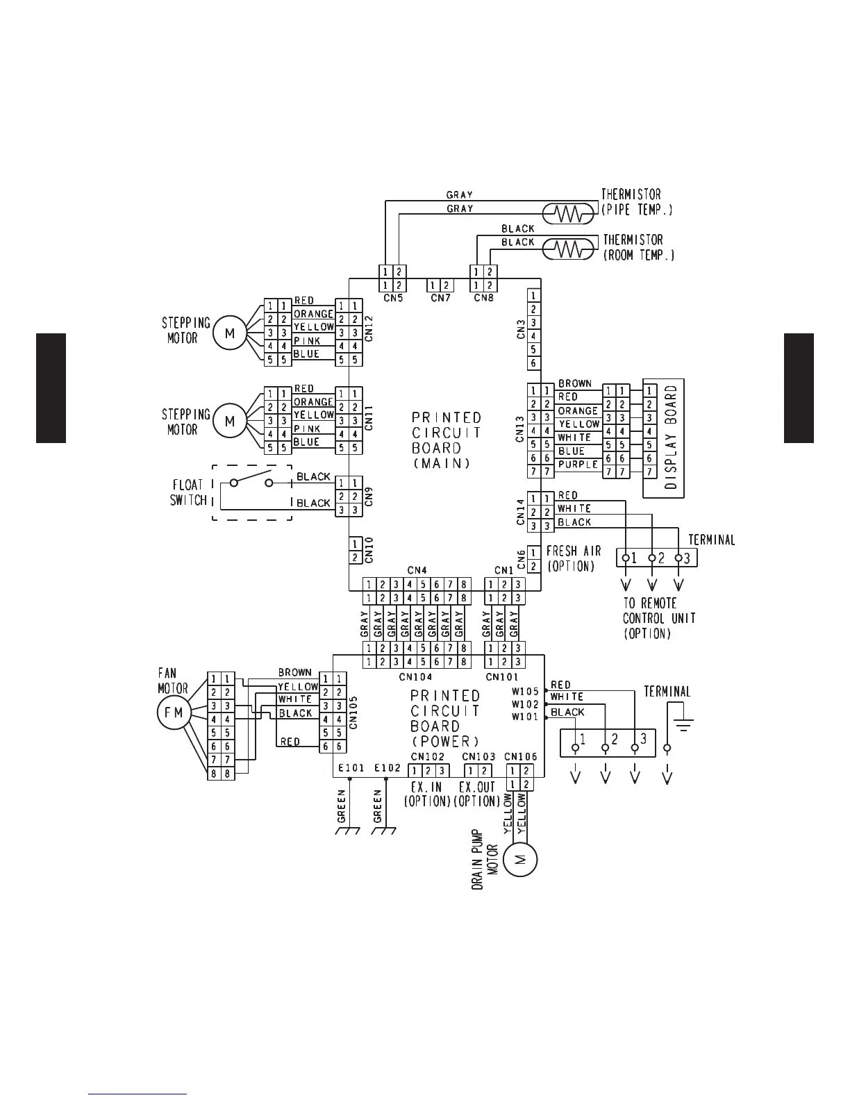
4. INDOOR UNITS
WIRING DIAGRAMS5.
COMPACT CASSETTE TYPE5-1.
MODELS : AU
G07LVLA, AU
G09LVLA, AU
G12LVLA,
AU
G14LVLA, AU
G18LVL A,
AU
G12LVLB, AU
G14LVLB, AU
G18LVLB
    
INDOOR
UNITS
INDOOR
UNITS

Table of Contents

Related product manuals