EasyManua.ls Logo

Fujitsu ASU9RLS - 2-4. WIRING DIAGRAMS

Fujitsu ASU9RLS
37 pages
Print Icon
To Next Page IconTo Next Page
To Next Page IconTo Next Page
To Previous Page IconTo Previous Page
To Previous Page IconTo Previous Page
Loading...
-
(
02 - 04
)
-
OUTDOOR UNIT
AOU9-12RLS
OUTDOOR UNIT
AOU9-12RLS
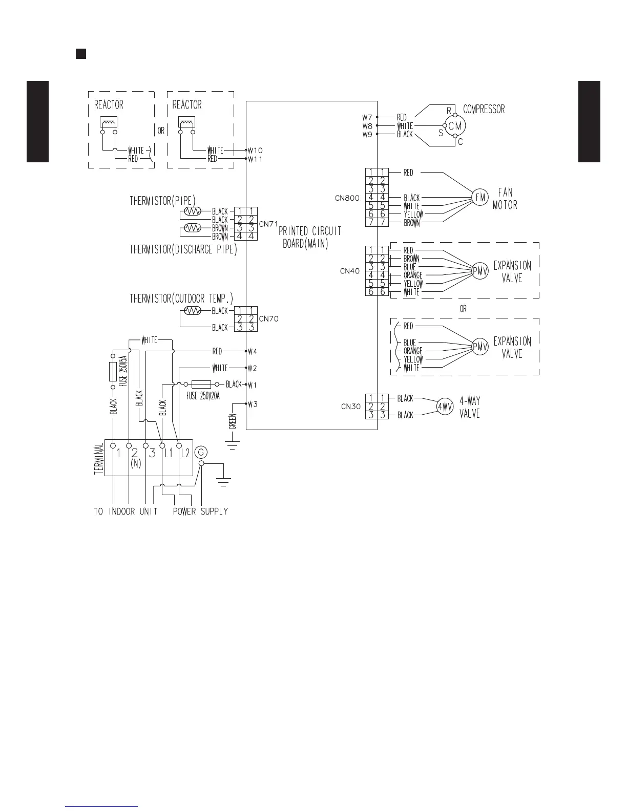
2-4. WIRING DIAGRAMS
MODEL: AOU9RLS, AOU12RLS

Other manuals for Fujitsu ASU9RLS

Related product manuals