EasyManua.ls Logo

Fujitsu ASYG14LTCB - Wiring Diagrams

Fujitsu ASYG14LTCB
53 pages
Print Icon
To Next Page IconTo Next Page
To Next Page IconTo Next Page
To Previous Page IconTo Previous Page
To Previous Page IconTo Previous Page
Loading...
-
(
02 - 06
)
-
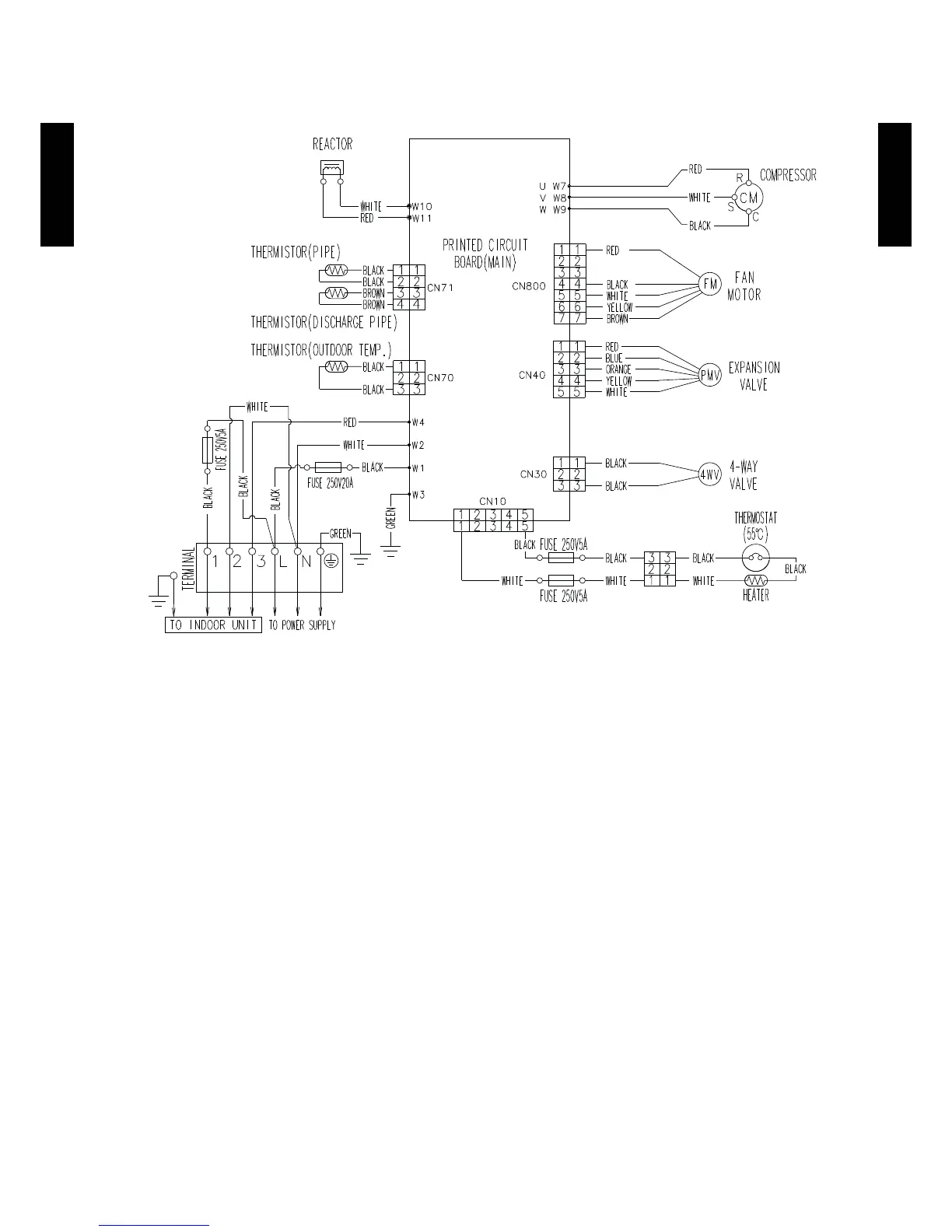
OUTDOOR UNIT
AO
G09-14LT
OUTDOOR UNIT
AO
G09-14LT
WIRING DIAGRAMS4.
MODEL
:AO
G09LT, AO
G12LT

Other manuals for Fujitsu ASYG14LTCB

Related product manuals