EasyManua.ls Logo

Fujitsu AU*24LUAR - Page 22

Fujitsu AU*24LUAR
162 pages
To Next Page IconTo Next Page
To Next Page IconTo Next Page
To Previous Page IconTo Previous Page
To Previous Page IconTo Previous Page
Loading...
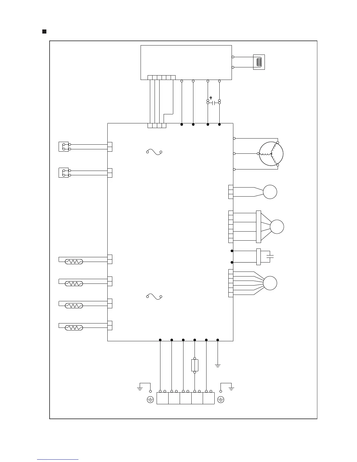
04-03
MODEL : AO*24LMAKL
ACTIVE
FILTER
MODULE
WHITE
WHITE
CHOKE
COIL
CAPACITOR
CN11
CN407
CN37
CN38
CN21
CN22
CN23
CN25
L1
N1
P
L2
1 2 3 4 5 6
1 2 3 4
+
-
BROWN
YELLOW
YELLOW WHITE
PURPLE
BLUE
RED
RED
WHITE
BLACK
BLACK
BLUE
RED
RED
BROWN
BLUE
ORANGE
YELLOW
WHITE
BLACK
BLACK BLACK
WHITE
WHITE
GREEN
RED
WHITE
BLACK
BLACK
BLACK
BLACK
BLACK
RED
RED
BROWN
BROWN
BLACK
BLUE
BROWN
ORANGE
W10 W11 TM104 TM105
TM305
TM304
TM303
CN30
CN11
CN27
W102
W103
W4 W5 W8 W1 W2 W3
FUSE
F2 T 3.15A 250V
FUSE
F4 T 5A 250V
PRINTED
CIRCUIT
BOARD
4WV
COMPRESSOR
FAN MOTOR
FAN
CAPACITOR
EXPANSION
VALVE COIL A
U
V
W
1
2
3
1
2
1
2
1
2
1
2
1
2
1
2
1
2
3
4
5
6
7
1
2
3
4
5
6
FM
CONNECTOR
EV
TERMINAL
1 2(N) 3 L N
FUSE 25A
COMPRESSOR
PRESSURE SW
COMPRESSOR
THERMAL SW
THERMISTOR
(DISCHARGE)
THERMISTOR
(PIPE)
THERMISTOR
(OUTDOOR)
THERMISTOR
(HEAT SINK)

Table of Contents

Related product manuals