EasyManua.ls Logo

Fujitsu AU*24LUAR - Page 23

Fujitsu AU*24LUAR
162 pages
To Next Page IconTo Next Page
To Next Page IconTo Next Page
To Previous Page IconTo Previous Page
To Previous Page IconTo Previous Page
Loading...
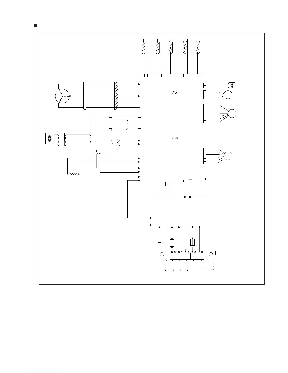
04-04
MODEL : AO*30/ 36LMAWL
CN21
U
W305
V
W304
W
W303
CN22 CN23 CN26 CN25
CN37
CN30
CN800
CN27
CN1
CN1
TM102
TM101
CN34
W9
W6W3 W7 W4 W5
W8
CN407
W12
W13
W21
W22
W200
W16
W17
W10
W11
1 2
1 2 3 4 1 2 3
1 2 3
1 2 1 2 1 2 1 2
BLACK
BLACK
WHITE
WHITE
GREEN
1 2(N) 3 L N
TO INDOOR UNIT
TO POWER SUPPLY
1
2
1
2
3
1
2
3
4
5
6
7
1
2
3
4
5
6
1
2
3
4
5
1
2
3
4
5
6
FUSE
F4 T 5A 250V
FUSE
F2 T 3.15A 250V
PRINTED
CIRCUIT
BOARD
(MAIN)
RED
BLACK
BLACK
BROWN
BLUE
BLACK
BROWN
BLACK
BLACK
WHITE
WHITE
YELLOW
YELLOW
BROWN
BROWN
BLUE
ORANGE
RED
RED
RED
RED
BLACK
WHITE
WHITE
BLACK
BLACK
ORANGE
BROWN
RED
REDRED
WHITEWHITE
BLACKBLACK
ORANGE
YELLOW
YELLOW
BLUE
WHITE
BROWN
ORANGE
RED
BLACK
BROWN
RED
4WV
FM
EV
HIGH PRESSURE SW
SOLENOID
COIL
EXPANSION
VALVE COIL
FAN MOTOR
THERMISTOR
(HEAT SINK)
THERMISTOR
(DISCHARGE)
THERMISTOR
(PIPE)
THERMISTOR
(OUTDOOR)
THERMISTOR
(COMPRESSOR)
PRINTED CIRCUIT
BOARD (FILTER)
EARTH
FUSE
10A
FUSE
25A
POSISTOR
TERMINAL
CHOKE
COIL
ACTIVE
FILTER
MODULE
L1
L2
P
N
EMI FILTER
2T
EMI FILTER
1T
CONNECTOR
COMPRESSOR
U
W
V

Table of Contents

Related product manuals