EasyManua.ls Logo

Fujitsu AU*24LUAR - Page 24

Fujitsu AU*24LUAR
162 pages
To Next Page IconTo Next Page
To Next Page IconTo Next Page
To Previous Page IconTo Previous Page
To Previous Page IconTo Previous Page
Loading...
04-05
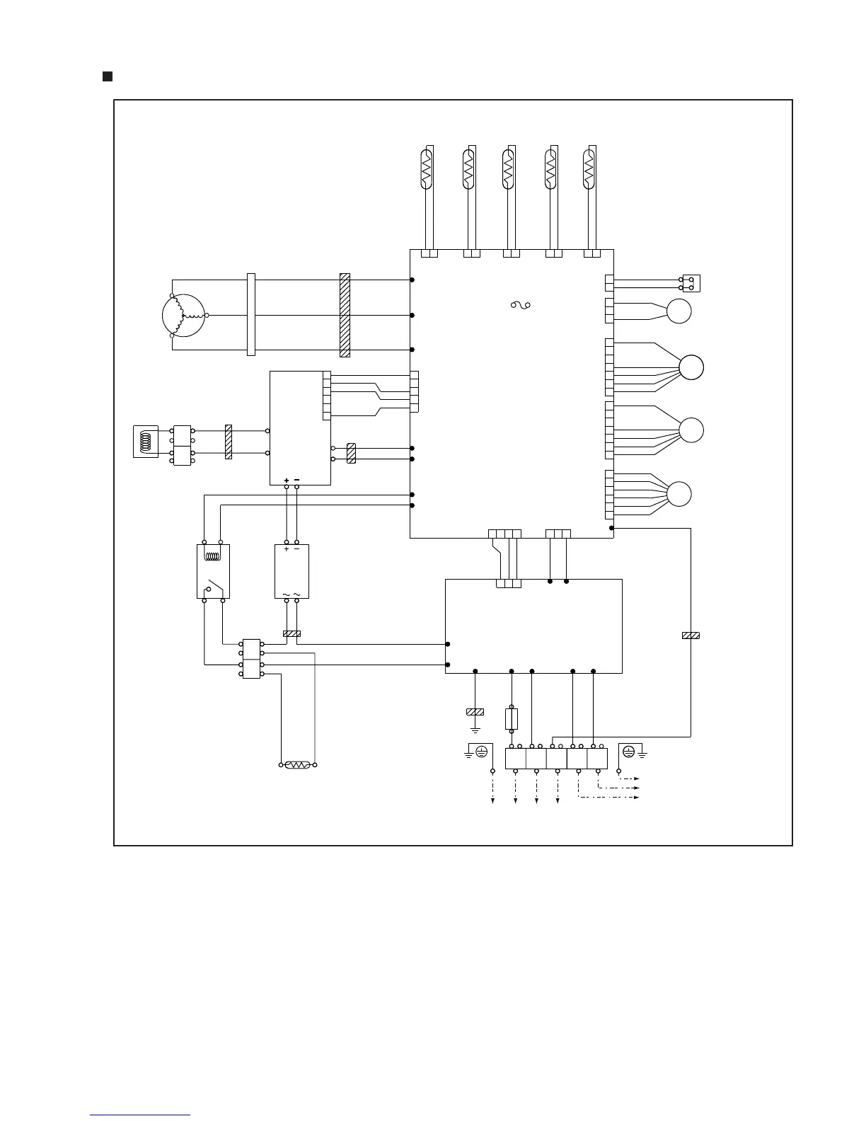
MODEL : AO*45/ 54LJBYL
CN21
U
W305
V
W304
W
W303
CN22 CN23 CN26 CN25
CN37
CN30
CN800
CN801
CN27
CN1
CN1
TM102
TM101
CN34
W9
W6W3 W7 W1 W2
W8
CN407
W14
W15
W107
W108
W200
1 2
1 2 3 4 1 2 3
1 2 3
1 2 1 2 1 2 1 2
BLACK
BLACK
GRAY
RED
BLACK
GRAY
BLACK
WHITE
WHITE
GREEN
1 2(N) 3 L N
1
2
1
2
3
1
2
3
4
5
6
7
1
2
3
4
5
6
7
1
2
3
4
5
6
1
2
3
4
5
1
2
3
4
5
6
F4 T 5A 250V
F2 T 3.15A 250V
PRINTED
CIRCUIT
BOARD
(MAIN)
RED
BLACK
BLACK
BROWN
BLUE
BLACK
BROWN
BLACK
BLACK
WHITE
WHITE
YELLOW
YELLOW
BROWN
BROWN
BLUE
ORANGE
RED
RED
BLACK
WHITE
YELLOW
BROWN
RED
RED
RED
BLACK
WHITE
WHITE
WHITE
WHITE
BROWN
YELLOW
BLUE
VIOLET
BLACK
ORANGE
BROWN
RED
REDRED
WHITEWHITE
BLACKBLACK
ORANGE
YELLOW
ORANGE
BLACK
BROWN
RED
4WV
FM
FM
EV
HIGH PRESSURE SW
SOLENOID
COIL
EXPANSION
VALVE COIL
FAN MOTOR 1
FAN MOTOR 2
THERMISTOR
(HEAT SINK)
THERMISTOR
(DISCHARGE)
THERMISTOR
(PIPE)
THERMISTOR
(OUTDOOR)
THERMISTOR
(COMPRESSOR)
PRINTED CIRCUIT
BOARD (FILTER)
EARTH
FUSE
10A
POSISTOR
CHOKE
COIL
ACTIVE
FILTER
MODULE
L1
L2
P
N
EMI FILTER
1T
EMI FILTER
2T
EMI FILTER
2T
EMI FILTER
2T
EMI FILTER
3T
EMI FILTER
1T
CONNECTOR
COMPRESSOR
U
W
V
TERMINAL
TERMINAL
DIODE BRIDGE
RELAY
FUSE
TO INDOOR UNIT
TO POWER SUPPLY

Table of Contents

Related product manuals